Sumário
ToggleInformações sobre a norma
A Instrução Técnica 12/2019 está em vigor desde 9 de abril de 2019, conforme disposto na Portaria nº CCB-002/810/19.
Substituiu a Instrução Técnica nº 12/2018 – Centros esportivos e de exibição – Requisitos de segurança contra incêndio.
Publicada no Diário Oficial do Estado de São Paulo, Poder Executivo – Seção I, Suplementos, pág. 73, de 9 de abril de 2019.
Portarias relacionadas à Instrução Técnica 12/2019 – Centros esportivos e de exibição
Portaria nº CCB-002/810/19 – Dispõe sobre as Instruções Técnicas do Corpo de Bombeiros da Polícia Militar do Estado de São Paulo a que alude o Decreto Estadual nº 63.911, de 10 de dezembro de 2018.
Parecer Técnico que referencia a Instrução Técnica 12/2019 – Centros esportivos e de exibição
Parecer Técnico nº CCB-023/800/23 – Líquidos inflamáveis e GLP em “máquinas de fogo” em locais de reunião de público.
SECRETARIA DE ESTADO DOS NEGÓCIOS DA SEGURANÇA PÚBLICA
POLÍCIA MILITAR DO ESTADO DE SÃO PAULO
Corpo de Bombeiros
INSTRUÇÃO TÉCNICA Nº 12/2019
Centros esportivos e de exibição – requisitos de segurança contra incêndio
1 Objetivo
1.1 Estabelecer os requisitos mínimos necessários para a segurança contra incêndio e pânico em centros esportivos e de exibição, em especial quanto à determinação da população máxima e o dimensionamento das saídas, visando à proteção da vida, atendendo ao previsto no Regulamento de Segurança contra Incêndio em edificações e áreas de risco do Estado de São Paulo.
2 Aplicação
2.1 Esta Instrução Técnica (IT) aplica-se às edificações enquadradas nas Divisões F-3 (estádios, ginásios, rodeios, arenas e similares) e F-7 (construções provisórias para público, circos, arquibancadas e similares), permanentes ou não, fechadas ou abertas, cobertas ou ao ar livre.
2.1.1 A aplicação desta IT não é obrigatória às instalações temporárias que não possuam delimitação de área e controle de acesso ao público.
2.1.2 Quando houver lotação inferior a 2.500 pessoas, para edificações permanentes, admite-se que os parâmetros de saídas sejam dimensionados conforme a IT 11 – Saídas de Emergência.
2.2 A IT 11 complementa o presente texto nos assuntos não detalhados nesta IT.
2.3 A Divisão F-7 (PTIOT) com altura superior a 6,00 metros será submetida à Comissão Técnica Ordinária para definição das medidas de segurança contra incêndio.
2.3.1 A Divisão F-7 instalada no interior de uma edificação permanente (PTOTEP), mesmo que altura da edificação permanente seja superior a 6,00 metros, será submetida à análise conforme IT-01, não sendo necessário ser submetida à Comissão Técnica Ordinária, desde que atenda aos requisitos para a atividade temporária em questão.
3 Referências normativas e bibliográficas
BRASIL. Constituição da República Federativa do Brasil, 5 de outubro de 1988, Brasília: Senado Federal, 2016;
_______. Lei nº 10.671, de 15 de maio de 2003. Dispõe sobre o Estatuto de Defesa do Torcedor e dá outras providências;
_______. Decreto nº 6.795, de 16 de março de 2009. Regulamenta o art. 23 da Lei no 10.671, de 15 de maio de 2003, que dispõe sobre o controle das condições de segurança dos estádios desportivos, de 15 de maio de 2003.
_______. Decreto nº 63.911, de 10 de dezembro de 2018. Institui o Regulamento de Segurança Contra Incêndios das edificações e áreas de risco no Estado de São Paulo e dá providências correlatas;
_______. CORPO DE BOMBEIROS DA POLÍCIA MILITAR DO ESTADO DE SÃO PAULO (CBPMESP), Instruções Técnicas. São Paulo, 2018.
COELHO, Antônio Leça. Modelação matemática do abandono de edifícios sujeitos à ação de um incêndio. Faculdade de Engenharia da Universidade do Porto, Portugal.
COTÉ, Ron. NFPA-101 Life Safety Code Handbook. 18ed. Quincy: NFPA, 2000.
FIFA. Football Stadiums – Technical recommendations and requirements. 4.ed. FIFA: Zurich, 2007.
GUIDE TO SAFETY AT SPORTS GROUNDS (Green Guide). 5ed. United Kingdom, 2008.
ASSOCIAÇÃO BRASILEIRA DE NORMAS TÉCNICAS (ABNT). NBR 15.476 – Móveis plásticos – assentos plásticos para estádios desportivos e lugares públicos não cobertos. Rio de Janeiro: ABNT;
_______. NBR 15816 – Móveis plásticos – assentos plásticos para estádios desportivos e lugares públicos fechados. Rio de Janeiro: ABNT;
_______. NBR 5410: Instalações elétricas de baixa tensão. Rio de Janeiro: ABNT;
_______. NBR 5419: Proteção de estruturas contra descargas atmosféricas. Rio de Janeiro: ABNT;
_______. NBR 9050: Acessibilidade a edificações, mobiliários, espaços e equipamentos urbanos. Rio de Janeiro: ABNT;
PAULS, JAKE. Movement of People. Fire Protection Engineering. 2ed. Quincy: NFPA, 1995.
PORTARIA Nº PM3-001/02/96, que disciplina o disposto na Resolução SSP-122/85, baixando instrução técnica para a realização das vistorias prévias.
PORTUGAL. Decreto Regulamentar nº 34, de 16 de dezembro de 1995. Regulamento das Condições Técnicas e de Segurança dos Recintos de Espetáculos e Divertimentos Públicos.
4 Definições
Além das definições constantes da IT 03 – Terminologia de segurança contra incêndio, aplicam-se as definições específicas abaixo:
4.1 Acesso: caminho a ser percorrido, pelos usuários do pavimento ou do setor, constituindo a rota de saída para se alcançar uma escada, ou uma rampa, ou uma área de refúgio, ou descarga para saída do recinto. Os acessos podem ser constituídos por corredores, passagens, vestíbulos, balcões, varandas, terraços e similares.
4.2 Acesso lateral: é um corredor de circulação paralelo às filas (fileiras) de assentos ou arquibancadas, geralmente possui piso plano ou levemente inclinado (rampa) (Figura 1).
4.3 Acesso radial: é um corredor de circulação que dá acesso direto na área de acomodação dos espectadores (patamares das arquibancadas), podendo ser inclinado (rampa) ou com degraus. Deve ter largura mínima de 1,20 m (Figura 1).
4.4 Arquibancada: série de assentos em filas sucessivas, cada uma em plano mais elevado que a outra, em forma de degraus, que se destina a dar melhor visibilidade aos espectadores, em estádios, anfiteatros, circos, auditórios etc. Podem ser providas de assentos (cadeiras ou poltronas) ou não. Há também a modalidade de arquibancadas para público em pé.
4.5 Assento rebatível: mobiliário que apresenta duas peças principais, encosto e assento. A peça do assento possui características retráteis que permanece na posição recolhida quando desocupada.
4.6 Barreiras: estruturas físicas destinadas a impedir ou dificultar a livre circulação de pessoas.
4.7 Barreiras antiesmagamento: barreiras destinadas a evitar esmagamentos dos espectadores, devido à pressão da multidão aglomerada nas áreas de acomodação de público em pé.
4.8 Bloco: agrupamento de assentos preferencialmente localizados entre dois acessos radiais ou entre um acesso radial e uma barreira.
4.9 Descarga: parte da saída de emergência que fica entre a escada ou a rampa e a via pública ou área externa em comunicação com a via pública, pode ser constituída por corredores ou átrios cobertos ou a céu aberto.
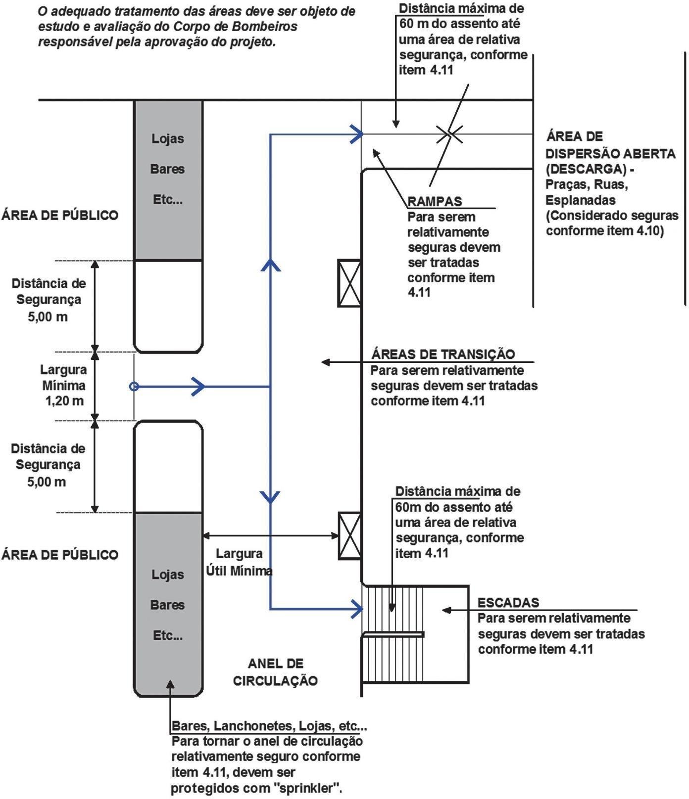
4.10 Local de segurança: local, fora da edificação, no qual as pessoas estão sem o perigo imediato dos efeitos do fogo (ver Figura 13).
4.11 Local de relativa segurança: local dentro de uma edificação ou estrutura onde, por um período limitado de tempo, as pessoas têm alguma proteção contra os efeitos do fogo e da fumaça. Este local deve possuir resistência ao fogo e elementos construtivos (de acabamento e de revestimento) incombustíveis, proporcionando às pessoas continuarem sua saída para um local de segurança. Exemplos: escadas de segurança, escadas abertas externas, corredores de circulação (saída) ventilados (mínimo de 1/3 da lateral com ventilação permanente) (ver Figura 13).
4.12 Plano de abandono: conjunto de normas e ações visando à remoção rápida, segura, de forma ordenada e eficiente de toda a população fixa e flutuante da edificação em caso de uma situação de sinistro. Plano de emergência: documento estabelecido em função dos riscos da edificação, que encerra um conjunto de ações e procedimentos a serem adotados, visando à proteção da vida, do meio ambiente e do patrimônio, bem como a redução das consequências de sinistros.
4.13 Plano de emergência: documento estabelecido em função dos riscos da edificação, que encerra um conjunto de ações e procedimentos a serem adotados, visando à proteção da vida, do meio ambiente e do patrimônio, bem como a redução das consequências de sinistros.
4.14 Posto de comando: local fixo ou móvel, com representantes de todos os órgãos envolvidos no atendimento de uma emergência.
4.15 Sala de comando e controle: local instalado em ponto estratégico que proporcione visão geral de todo recinto (setores de público, campo, quadra, arena etc.), devidamente equipado com todos os recursos de informação e de comunicação disponíveis no local, destinado à coordenação integrada das operações desenvolvidas pelos órgãos de Defesa Civil e Segurança Pública em situação de normalidade.
4.16 Setor: espaço delimitado para acomodação dos espectadores, permitindo a ocupação ordenada do recinto. Definido por um conjunto de blocos.
4.17 Taxa de fluxo (F): número de pessoas que passam, por minuto, por determinada largura de saída (pessoas/minuto).
4.18 Tempo de saída: é o tempo no qual todos os espectadores, em condições normais, conseguem deixar a respectiva área de acomodação (setor) e adentrarem em um local seguro ou de relativa segurança.
Nota:
Não inclui o tempo total necessário para percorrer a circulação inteira de saída (do assento ao exterior).
4.19 Túnel de saída ou “vomitório”: passagem coberta que interliga as áreas de acomodação do público (arquibancadas) às circulações de saída ou de entrada do recinto.
5 Área de acomodação do público – setores
5.1 Generalidades
5.1.1 Os recintos para eventos desportivos devem ser setorizados em função de suas dimensões a fim de se evitar que, em uma situação de emergência, o movimento dos ocupantes venha a saturar determinadas rotas de fuga, bem como possibilitar às equipes de segurança, socorro e salvamento, condições para executarem suas respectivas ações nos diversos eventos.
5.1.2 Em todos os setores devem ter saídas suficientes, em função da população existente, sendo exigidas, no mínimo, duas alternativas de saída, em lados distintos. Recomenda-se que cada setor tenha lotação máxima de 10.000 pessoas.
5.1.3 Somente são considerados lugares destinados a espectadores aqueles inseridos dentro dos setores previamente estabelecidos e com rotas de fuga definidas.
5.1.4 As rotas de fuga dos espectadores devem ser independentes das rotas de fuga dos atletas ou artistas que se apresentam no recinto.
5.1.5 Recomenda-se que os setores sejam identificados por meio de cores diferenciadas e predominantes.
5.1.6 Os setores, as fileiras e os assentos dos espectadores (inclusive quando o assento for no próprio patamar da arquibancada) devem ser devidamente numerados e identificados, com marcação fixa e visível, devendo também as fileiras serem identificadas nas laterais dos acessos radiais, em cor contrastante com a superfície.
5.1.7 As numerações dos ingressos devem conter a identificação do setor (com sua cor destacada), do bloco, da fila e do assento. Tal medida objetiva: controlar e facilitar o acesso do público; evitar tumultos durante a acomodação dos espectadores; coibir possíveis vendas de ingressos acima da capacidade do recinto.
5.1.8 Os setores das arquibancadas para público em pé devem ser dotados de barreiras antiesmagamento – ver Capítulo “Guarda-corpos (barreiras) e corrimãos”.
5.2 Patamares (degraus) das arquibancadas
5.2.1 O comprimento máximo dos patamares das arquibancadas deve obedecer às seguintes regras:
5.2.2 Para estádios e similares (arquibancadas permanentes): 20 metros, quando houver acesso em ambas extremidades do patamar, e 10 metros quando houver apenas um acesso (ver Figura 1).
5.2.3 Para ginásios cobertos e similares (locais internos) e para arquibancadas provisórias (desmontáveis): 14 metros, quando houver acessos nas duas extremidades; e 7 metros, quando houver apenas um acesso.
5.2.4 A altura e largura dos degraus das arquibancadas, para público em pé (quando permitido), devem possuir as seguintes dimensões:
a. altura máxima de 0,19 m;
b. largura mínima de 0,40 m (ver Figura 7).
5.2.5 A altura e largura dos patamares (degraus) das arquibancadas (ve Figura 7)), para público sentado (cadeiras individuais ou assentos numerados direto na arquibancada, quando permitido), devem possuir as seguintes dimensões:
a. altura máxima de 0,57 m;
b. largura mínima de 0,80 m. Para maior conforto do usuário, recomenda-se mínimo de 0,85 m.
5.2.5.1 Para edificações existentes, admite-se que os degraus das arquibancadas tenham largura mínima de 0,75 m, desde que haja:
a. redução de 25% no comprimento máximo do patamar, constante no item 5.2.1, quando os assentos das cadeiras (poltronas) forem rebatíveis;
b. redução de 50% no comprimento máximo do patamar, constante no item 5.2.1, quando os assentos das cadeiras (poltronas) forem não-rebatíveis (tipo concha) ou quando não houver assentos fixos.
5.2.5.2 Para arquibancadas provisórias (desmontáveis, sem cadeiras ou poltronas), aceita-se largura mínima do patamar de 0,70 m. Caso haja cadeiras ou poltronas, aceita-se largura mínima de 0,75 m, com redução em 25% do comprimento máximo do patamar.
5.2.6 Quando os próprios patamares da arquibancada são usados como degraus de escada, a altura máxima destes deve ser de 0,15 a 0,19 m.
5.3 Inclinação das arquibancadas
5.3.1 Nos setores com assentos fixos (cadeiras ou poltronas), a inclinação máxima deve ser de 37 graus (recomenda-se inclinação de 34 graus).
5.3.1.1 Nos setores cuja inclinação superar ou igualar-se a 32 graus, é obrigatória a instalação de guarda-corpos na frente de cada fila de assentos (ver Figura 3). A altura dessas barreiras deve ser, no mínimo, de 0,70 m do piso e sua resistência mecânica mínima de 1,5 kN/m (Kilonewton por metro).
5.3.2 Nos setores com assento no próprio patamar da arquibancada (sem cadeiras), a inclinação máxima deve ser de 25 graus.
5.3.3 Nos setores com arquibancadas para público em pé, a inclinação não deve ser superior a 25 graus, sendo recomendada a inclinação de 10 graus (ver Capítulo “Guarda-corpos (barreiras) e corrimãos” sobre exigência de barreiras antiesmagamentos).
5.4 Assentos
5.4.1 Os assentos individuais (cadeiras ou poltronas) das arquibancadas, destinados aos espectadores, devem obedecer às características abaixo (ver Figuras 3 e 5):
5.4.1.1 Serem projetados, conforme normas técnicas, com resistência mecânica suficiente para os esforços solicitados;
5.4.1.2 Serem constituídos com material incombustível ou retardante ao fogo, conforme normas técnicas;
5.4.1.3 Cada assento deverá possuir, no mínimo, 0,42 m de largura útil e deve ser instalado, no mínimo, a cada 50 cm entre eixos, medidos centralizadamente;
5.4.1.4 Terem encosto com altura mínima de 0,30 m (ver Figura 3);
5.4.1.5 Terem espaçamento mínimo de 0,40 m para circulação nas filas, entre a projeção dianteira de um assento de uma fila e as costas do assento em frente (ou guarda-corpo). Para edificações existentes admite-se este espaçamento com 0,35 m (ver Figuras 3 e 5).
5.4.1.6 Serem afixados de forma a não permitir sua remoção ou desprendimento de partes, manualmente;
5.4.2 Os estádios com público superior a 35.000 pessoas devem adotar assentos rebatíveis, exceto se o degrau (patamar) da arquibancada possuir largura igual ou superior a 1,10 m.
5.4.3 À frente da primeira fileira de assentos fixos, nas cotas inferiores dos setores das arquibancadas, deve ser mantida a distância mínima de 0,55 m para circulação (ver Figura 5).
6 Saídas (normais e emergência)
6.1 Generalidades
6.1.1 As saídas podem ser nominadas didaticamente em:
a. acessos;
b. circulações de saídas horizontais e verticais e respectivas portas, quando houver;
c. escadas ou rampas;
d. descarga;
e. espaços livres no exterior.
6.1.2 É importante que se forneça, nos recintos de grande aglomeração de pessoas, circulações de saída capazes de comportar, de forma segura, a passagem das pessoas dentro de um período de tempo aceitável, evitar o congestionamento das saídas e o estresse psicológico.
6.1.3 Os responsáveis pela edificação e pela segurança do evento devem assegurar que as vias de saída estão planejadas para prover aos espectadores uma circulação livre e desimpedida até que eles consigam atingir a área externa da edificação, devendo apresentar este planejamento no plano de emergência. Assim, deve-se assegurar que:
a. haja números suficientes de saídas em posições adequadas (distribuídas de forma uniforme);
b. todas as áreas de circulações de saída tenham larguras adequadas à respectiva população;
c. as pessoas não tenham que percorrer distâncias excessivas para sair do local de assistência (acomodação), devendo ser adotadas as rotas mais diretas possíveis;
d. haja dispositivos que direcionem o fluxo de pessoas que irão adentrar em uma rota de fuga, conforme dimensionamento das saídas;
e. as saídas tenham sinalização e identificação adequadas, tanto em condições normais como em emergência;
f. haja controle de acesso do público, visando à garantia da lotação máxima estabelecida.
6.1.4 Nas saídas, os elementos construtivos e os materiais de acabamentos e de revestimento devem ser de Classe I (incombustíveis). Ver prescrições da IT 10 – Controle de materiais de acabamento e de revestimento.
6.1.5 O piso das áreas destinadas à saída do público (incluindo os patamares das arquibancadas), além de ser incombustível, deve também ser executado em material antiderrapante e conter sinalização complementar de balizamento conforme normas pertinentes.
6.1.6 As circulações não podem sofrer estreitamento em sua largura, no sentido da saída do recinto, devendo, no mínimo, manter a mesma largura ou, no caso de aumento de fluxo na circulação, deve-se dimensionar para o novo número de pessoas.
6.1.7 As saídas devem possuir, no mínimo, 1,20 m de largura. Para edificações existentes aceita-se 1,10 m.
6.1.8 As portas e passagens nas circulações devem ter altura mínima de 2,20 m para edificações novas e de 2,00 m para as existentes.
6.1.9 As saídas devem ser dimensionadas em função da população de cada setor considerado, sendo que deve haver, no mínimo, duas opções (alternativas) de fuga, em lados distintos, em cada setor.
6.1.10 Para recintos com previsão de público igual ou superior a 2.500 pessoas, deverá ser elaborado plano de emergência, devendo constar as plantas ou croquis que estabeleçam o “plano de abandono” de cada um dos setores. Cópia do plano de emergência deve ser mantida na sala de comando e controle do recinto.
6.1.11 As saídas que não servem aos setores de arquibancadas ou à plateia devem seguir aos parâmetros da IT 11 – Saídas de emergência.
6.1.12 Os acessos destinados aos portadores de necessidades especiais devem observar, ainda, os critérios descritos na NBR 9050.
6.1.13 Toda circulação horizontal deve estar livre de obstáculos e permitir o acesso rápido e seguro do público às saídas verticais dos respectivos pisos ou à área de descarga.
6.1.13.1 Locais de vendas e outros locais de acúmulo de pessoas devem distar, no mínimo, 5 m das saídas dos setores (ver Figura 13).
6.1.13.2 Nos túneis de saída ou de acesso de público (“vomitórios”) não devem ser dispostos obstáculos ou aberturas (portas, janelas) que criem acúmulo de pessoas, visando, assim, a evitar interferências no fluxo de saída.
6.1.14 Os desníveis existentes nas saídas horizontais devem ser vencidos por rampas de inclinação não superior a 10% e patamar horizontal de descanso a cada 10 m.
6.1.15 Nas barreiras ou alambrados que separam a área do evento (arena, campo, quadra, pista etc.) dos locais acessíveis ao público devem ser previstas passagens que permitam aos espectadores sua utilização em caso de emergência, mediante sistema de abertura acionado pelos componentes do serviço de segurança ou da brigada de incêndio. Essas passagens devem ser instaladas ao final de todos os acessos radiais e devidamente sinalizadas, preferencialmente, na cor amarela.
6.1.16 Quando houver mudanças de direção, as paredes não devem ter cantos vivos.
6.1.17 As portas e os portões de saída do público devem abrir sempre no sentido de fuga das pessoas, e possuir largura dimensionada para o abandono seguro da população do recinto, porém, nunca inferior a 1,20 m.
6.1.18 As portas e os portões de saída devem ser providos de sistema de destravamento rápido (Exemplo: barra antipânico), não sendo permitido qualquer tipo de travamento no sentido de saída do recinto.
6.1.19 Nenhum sistema de saída deve ser fechado de modo que não possa ser facilmente e imediatamente aberto em caso de emergência, devendo ser monitorado pelo serviço de segurança.
6.1.20 As saídas finais devem ser monitoradas pessoalmente pela segurança, enquanto o recinto for utilizado pelo público.
6.1.21 Todas as portas e portões de saída dos respectivos setores devem ser mantidos na posição totalmente aberta antes do fim do evento. Quando abrir, não deve obstruir qualquer tipo de circulação (corredores, escadas, descarga etc.). O responsável pela segurança deve verificar ou ser informado quando todas as portas e portões das saídas finais estiverem seguramente na posição aberta, com prazo suficiente para garantir o egresso seguro do público.
6.1.21.1 Deverão ser observadas medidas que permitam a saída do público de torcidas distintas, separadamente, devendo estas saídas atenderem proporcionalmente ao público a que se destinam.
6.1.22 Não devem existir peças plásticas em fechaduras, espelhos, maçanetas, dobradiças e outros.
6.1.23 As catracas de acesso devem ser reversíveis, para permitir a saída do recinto, em caso de necessidade, a qualquer momento, sendo que não são admissíveis como meio de fuga e não deve compor o sistema de saída normal ou de emergência, exceto se as catracas forem retiradas e os espaços utilizados estiverem sem nenhum tipo de obstrução.
6.1.23.1 O item anterior não se aplica quando houver entrada e saída de pessoas de maneira concomitante devido a longa duração do evento, neste caso, o espaço destinado à entrada do público não deve ser computado na saída normal ou de emergência.
6.1.24 As catracas devem ser dimensionadas para atender a todo o público e a seu acesso em um tempo máximo de 1 hora com a devida agilidade e atendimento aos procedimentos de segurança. Para este cálculo, deve ser considerada uma capacidade máxima de 660 espectadores por catraca por hora.
6.1.25 Portas e portões de correr ou de enrolar não devem ser usados nas saídas (proibido), pois são incapazes de serem abertos quando há pressão exercida na direção do fluxo da multidão; e, também, por possuírem mecanismos ou trilhos que são suscetíveis a travamentos (emperramentos).
6.1.26 As circulações devem ser iluminadas e sinalizadas com indicação clara do sentido da saída, de acordo com o estabelecido e adotado na IT 18 – Iluminação de emergência e IT 20 – Sinalização de emergência.
6.1.27 Todas as saídas (portas, portões) devem ser claramente marcadas, nos 2 lados (interno e externo), com seus respectivos números de identificação, para facilitar o deslocamento rápido em caso de emergência.
6.2 Saídas verticais – escadas ou rampas
6.2.1 As saídas verticais (escadas ou rampas) devem, ainda, satisfazer as exigências descritas a seguir:
6.2.1.1 Serem contínuas desde o piso ou nível que atendem até o piso de descarga ou nível de saída do recinto ou setor.
6.2.1.2 Terem largura mínima de 1,20 m. As escadas, quando possuírem largura superior a 2,40 m, devem ser subdivididas, por meio de corrimãos em canais com largura mínima de 1,20 m e máxima de 1,80 m (ver Figuras 4 e 14).
6.2.1.3 Terem corrimãos contínuos em ambos os lados, com altura de 0,80 m a 0,92 m, e guarda-corpos (onde aplicável) com altura mínima de 1,10 m. Ambos atendendo aos requisitos do item 6.4 – Guarda-corpos (barreiras) e corrimãos.
6.2.1.4 Terem atendido aos requisitos do item 6.4.
6.2.1.5 Devem ser construídas em lances retos e sua mudança de direção deve ocorrer em patamar intermediário e plano.
6.2.1.6 O lanço máximo, entre 2 patamares de escada ou rampa, consecutivos, não deve ultrapassar 3,20 m de altura. Para as escadas, recomenda-se que a cada lanço de 12 degraus seja interposto um patamar.
6.2.1.7 Os patamares devem ter largura mínima igual à da escada (ou rampa), e comprimento conforme a seguir:
a. quando houver mudança de direção na escada ou na rampa, o comprimento mínimo dos patamares deve ser igual à largura da respectiva saída;
b. caso não haja mudança de direção, o comprimento mínimo deve ser igual a 1,20 m (exemplo: patamar entre dois lanços na mesma direção).
6.2.1.8 Elevadores e escadas rolantes não são aceitos como saídas de emergência.
6.2.1.9 Os degraus das escadas (exceto os acessos radiais) devem atender aos seguintes requisitos:
c. altura dos espelhos dos degraus (h) deve situar-se entre 0,15 m e 0,18 m, ou seja, 0,15 m ≤ h ≤ 0,18 m, com tolerância de 0,005 m (0,5 cm);
d. largura mínima das pisadas (b): 0,27 m;
e. o balanceamento dos degraus deve atender à relação entre altura do espelho (h) e a largura da pisada (b), a saber: 0,63 ≤ 2 h + b ≤ 0,64 (m).
6.2.1.9.1 Os degraus dos acessos radiais, nas arquibancadas, devem ser balanceados em função da inclinação da arquibancada e das dimensões dos patamares.
6.2.1.10 Em áreas de uso comum não são admitidas escadas em leque, caracol ou helicoidal.
6.2.1.11 O uso de rampas é obrigatório nos seguintes casos:
a. na descarga e acesso de elevadores de emergência;
b. quando a altura a ser vencida não permitir o dimensionamento equilibrado dos degraus de uma escada;
c. para unir o nível externo ao nível do saguão térreo das edificações para acesso de portadores de necessidades especiais (ver NBR 9050).
6.2.1.12 As rampas devem ser dotadas de guardas e corrimãos nas laterais.
6.2.1.13 As rampas não podem terminar em degraus ou soleiras, devendo ser precedidas e sucedidas sempre por patamares planos.
6.2.1.14 Os patamares das escadas e rampas devem ser sempre em nível.
6.2.1.15 As rampas podem suceder um lanço de escada, no sentido descendente de saída, mas não podem precedê-lo.
6.2.1.16 Não é permitida a colocação de portas em rampas, sendo que estas devem estar situadas sempre em patamares planos, com comprimento não inferior à da folha da porta de cada lado do vão.
6.2.1.17 As inclinações das rampas não devem exceder a 10% (1:10).
6.2.1.18 As saídas que não servem aos setores de arquibancadas ou à plateia devem atender aos parâmetros estabelecidos no item 7.2.3.
7.2.3 Nas áreas internas destinadas a usos diversos, em edificações permantes, com presença de carga de incêndio (por exemplo: museus, lojas, bibliotecas, camarotes, cabines de imprensa, estúdios, camarins, administração, estacionamentos, restaurantes, depósitos, área de concentração dos atletas ou artistas e outros), as saídas devem ser dimensionadas conforme IT 11. Contudo, caso sejam instalados, nesses locais, sistemas de chuveiros automáticos e detecção automática de incêndio, se aceita o dimensionamento conforme esta IT, devendo adotar tempo de saída de 2,5 minutos.
6.2.1.19 Devem ser previstos espaços adequados para portadores de necessidades especiais, atendendo aos critérios descritos nas normas técnicas pertinentes.
6.3 Descarga e espaços livres no exterior
6.3.1 Cuidados especiais devem ser adotados pela organização do evento e pelas autoridades competentes para que a descarga do público tenha fluxo suficiente na área externa, ao redor do recinto, para se evitar congestionamento nas circulações internas da edificação, o que comprometeria as saídas do recinto, mesmo que corretamente dimensionadas. Dessa forma, medidas de segurança devem ser adotadas para se evitar a aglomeração de público nas descargas externas do recinto, por exemplo: desvios de trânsito nas vias próximas ao recinto, proibição de “comércio” nas proximidades das saídas etc.
6.3.2 Nos acessos ao recinto devem ser planejadas áreas de acúmulo de público suficientemente dimensionadas para conter o público com segurança, organizado em filas antes de passar pelas catracas.
6.3.3 No dimensionamento da área de descarga, devem ser consideradas todas as saídas horizontais e verticais que para ela convergirem.
6.3.4 As descargas devem atender aos seguintes requisitos:
a. não serem utilizadas como estacionamento de veículos de qualquer natureza. Caso necessário, prever divisores físicos que impeçam tal utilização;
b. serem mantidas livres e desimpedidas, não devendo ser dispostas dependências que, pela sua natureza ou sua utilização, possam provocar a aglomeração de público, tais como bares, pistas de dança, lojas de “souvenir” ou outras ocupações;
c. não serem utilizadas como depósito de qualquer natureza;
d. serem distribuídas de forma equidistante e de maneira a atender o fluxo a elas destinado e o respectivo caminhamento máximo;
e. não possuir saliências, obstáculos ou instalações que possam causar lesões em caso de abandono de emergência.
6.4 Guarda-corpos (barreiras) e corrimãos
6.4.1 As saídas devem ser protegidas, de ambos os lados, com guarda-corpos e/ou corrimãos (conforme o caso) sempre que houver qualquer desnível maior de 18 cm.
6.4.2 A altura das guardas (barreiras) internas deve ser, no mínimo, de 1,10 m e sua resistência mecânica varia de acordo com a sua função e posicionamento (ver Figuras 2 e 5).
6.4.2.1 No perímetro de proteção dos túneis de acesso (vomitórios), para compor a altura mínima de 1,10 m, recomenda-se que até a altura 0,90 m (90 cm) a guarda seja confeccionada com concreto (ver Figura 11).
6.4.3 As arquibancadas cujas alturas em relação ao piso de descarga sejam superiores a 2,10 m devem possuir fechamento dos encostos (guarda-costas) do último nível superior de assentos, de forma idêntica aos guarda-corpos, porém, com altura mínima de 1,80 m em relação a este nível (ver Figura 5).
6.4.4 O fechamento dos guarda-corpos deve ser feito por meio de balaústres, com vão máximo de 0,15 m entre eles, podendo ser utilizadas longarinas quando o uso de balaústres for inviável.
6.4.5 Os guarda-corpos não devem possuir vãos (aberturas) superiores a 15 cm (ver requisitos na IT 11 – Saídas de emergência).
6.4.6 Os corrimãos devem ser adotados em ambos os lados das escadas ou rampas, devendo estar situados entre 80 cm e 92 cm acima do nível do piso atendendo também aos demais requisitos previstos na IT 11.
6.4.7 Nos acessos radiais das arquibancadas com inclinação superior a 32 graus, quando houver acomodações ou assentos em ambos os lados, os corrimãos devem ser laterais (individuais por fila) ou centrais, com altura entre 80 e 92 cm e resistência mínima de 2,00 KN/m. Quando forem centrais, devem possuir intervalos (aberturas), pelo menos, a cada cinco fileiras de bancos, visando facilitar o acesso ao assento e permitir a passagem de um lado para o outro (ver Figuras 5 e 10). Esses intervalos (aberturas) terão uma largura livre, horizontalmente, entre 70 cm a 90 cm (correspondente à largura do patamar).
6.4.8 Os corrimãos devem possuir as terminações (pontas) arredondadas ou curvas.
6.4.9 As escadas com mais de 2,40 m de largura, devem ser subdividas com corrimãos centrais, formando canais de circulação, espaçados a intervalos entre 1,20 m a 1,80 m, sendo que, neste caso, as extremidades devem ser dotadas de balaústres ou outros dispositivos para evitar acidentes.
6.4.10 Os corrimãos devem ser construídos para resistir a uma carga de 900 N (Newton), em qualquer ponto, aplicada verticalmente de cima para baixo e horizontalmente em ambos os sentidos.
6.4.11 Nas escadas comuns e rampas não enclausuradas pode-se dispensar o corrimão, desde que o guarda-corpo atenda também aos preceitos do corrimão, conforme IT 11.
6.4.12 Para escadas de escoamento e circulação de público com largura útil total maior que 3,60 m, é recomendada a colocação de barreiras retardantes antes da chegada às mesmas para um melhor controle e promoção de um ritmo contínuo de público.
6.4.13 As barreiras antiesmagamentos devem ser previstas nas arquibancadas para público em pé, espaçadas em função da inclinação (ver Figura 9), possuindo os seguintes requisitos:
a. serem contínuas;
b. terem alturas de 1,10 m;
c. não possuírem pontas ou bordas agudas. As bordas devem ser arredondadas;
d. terem resistência mecânica e distâncias entre barreiras, conforme Figura 9;
e. terem sua resistência e funcionalidade testadas, por profissional habilitado, antes de serem colocadas em uso, sendo exigido laudo técnico específico com fornecimento de documento comprobatório de responsabilidade técnica referente;
f. serem verificadas antes de cada evento, devendo possuir manutenção constante.
6.4.14 Para maiores informações sobre dimensionamento de guardas e barreiras, consultar a literatura denominada “Green Guide” (ver item 3 desta IT).
7 Dimensionamento das saídas
7.1 Cálculo da população
7.1.1 As saídas são dimensionadas em função da população máxima no recinto e/ou setor do evento.
7.1.2 A lotação do recinto (população máxima) deve ser calculada obedecendo-se aos seguintes critérios:
7.1.3 Arquibancadas com cadeiras ou poltronas (rebatíveis ou não-rebatíveis): número total de assentos demarcados (observando-se os espaçamentos).
7.1.4 Arquibancadas sem cadeiras ou poltronas: na proporção de 0,5 m linear de arquibancada por pessoa.
7.1.5 Nos setores destinados ao público em pé, o cálculo se dá pela densidade (D) máxima permitida, de 4 pessoas por m² da área útil destinada aos espectadores (Dmáx. = 4 pessoas/m²);
7.1.6 Quando a área do gramado, do campo, da pista, da quadra, da arena de rodeios etc. for usada para espectadores, a densidade máxima deve ser de 4 pessoas por m² (Dmáx. = 4 pessoas/m²), com tempo máximo para evacuação de 5 minutos.
7.1.6.1 Para este tipo de uso, as autoridades competentes devem ser consultadas quanto às possíveis restrições.
7.1.6.2 O público do gramado deve ser computado no dimensionamento das saídas permanentes do recinto.
7.1.7 No caso de camarotes que não possuam cadeiras fixas, a densidade (D), para fins de cálculo, é de 2,5 pessoas por m² da área bruta do camarote.
7.1.7.1 No caso de camarotes que possuam mobiliários (cadeiras, poltronas, mesas), a população será definida conforme o leiaute.
7.1.8 A organização dos setores com as respectivas lotações deve ser devidamente comprovada pelos responsáveis dos respectivos eventos, por meio de memorial de cálculo, sendo tais informações essenciais para o dimensionamento das rotas de fuga.
7.1.9 Nos setores de público em pé, medidas de segurança devem ser adotadas, pela organização do evento e pelas autoridades competentes, para se evitar que haja migração de determinadas áreas para outras com maior visibilidade do evento, provocando assim uma saturação de alguns pontos e esvaziamento de outros. Nesse caso, barreiras físicas e outros dispositivos eficazes devem ser usados para se evitar a superlotação de algum setor ou área.
7.1.10 Outros métodos analíticos de cálculo de população, devidamente normalizados ou internacionalmente reconhecidos, podem ser aceitos, desde que sejam devidamente comprovados, pelo responsável técnico, ao Serviço de Segurança contra Incêndio do Corpo de Bombeiros.
7.1.11 Quando verificada por autoridades competentes a necessidade de redução de público em função do risco que o evento oferece, pode ser adotado o critério de redução de público, utilizando-se para tal fim a avaliação da redução do tempo necessário para abandono.
7.1.12 É vedada a utilização das áreas de circulação e rotas de saída para o cômputo do público.
7.2 Tempo de saída
7.2.1 O tempo máximo de saída é usado, em conjunto com a taxa de fluxo (F) para determinar a capacidade do sistema de saída da área de acomodação do público para um local de segurança ou de relativa segurança (ver Capítulo 4 – Definições).
Nota:
Não inclui, assim, o tempo total necessário para percorrer a circulação inteira de saída (do assento ao exterior).
7.2.2 Nas áreas de arquibancadas externas (baixo risco de incêndio, ver IT 14 – Carga de incêndio), o tempo máximo de saída, nos termos desta IT, será de 8 minutos (ver Figura 13). Caso a arquibancada seja interna (local fechado), o tempo máximo será de 6 minutos (ginásios poliesportivos, por exemplo).
7.2.3 Nas áreas internas destinadas a usos diversos, em edificações permantes, com presença de carga de incêndio (por exemplo: museus, lojas, bibliotecas, camarotes, cabines de imprensa, estúdios, camarins, administração, estacionamentos, restaurantes, depósitos, área de concentração dos atletas ou artistas e outros), as saídas devem ser dimensionadas conforme IT 11. Contudo, caso sejam instalados, nesses locais, sistemas de chuveiros automáticos e detecção automática de incêndio, se aceita o dimensionamento conforme esta IT, devendo adotar tempo de saída de 2,5 minutos.
7.2.4 Nas áreas usadas para eventos temporários tais como: gramado, campo de jogo, arena, pista, quadra, praças e similares (quando usados para o público), o tempo de saída máximo será de 5 minutos.
7.2.5 Em certas circunstâncias pode ser necessário aplicar um tempo de egresso menor do que o estabelecido, por exemplo, se for constatado pelos responsáveis, em observação regular, que os espectadores ficam agitados, frustrados ou estressados, em menos tempo do que o período pré-estipulado para a saída completa do setor.
7.2.6 Para os locais cuja construção consista em materiais não-retardantes ao fogo, o tempo máximo de saída não poderá ser superior a 2,5 minutos.
7.2.7 Para definição da lotação máxima e disponibilização de ingressos de cada setor, deverá ser considerada, para cada evento, a possibilidade de redução do público em função da necessidade de divisão de setores, por parte das autoridades, e em função de possíveis áreas de risco verificadas em vistoria.
7.2.8 Caso os espectadores, no dimensionamento ou em testes práticos, não consigam sair do setor dentro de tempo estipulado, por algum motivo (exemplo: divisão de setores, insuficiência de saídas etc.), então, uma redução da capacidade final do(s) setor(es) deve ser avaliada pelos responsáveis pela edificação.
7.2.9 Para diminuir o tempo de saída, podem ser adotadas medidas como limitar a lotação no setor, aumentar as saídas, redirecionar o fluxo dos espectadores para outras saídas não saturadas etc.
7.2.10 É vedada a utilização das áreas de circulação e rotas de saída para o cômputo do público.
Nota:
Deve-se também ser considerado que alguns espectadores, em certas circunstâncias, ficarão na área de acomodação para olharem placares, ouvirem anúncios adicionais, ou simplesmente esperando a multidão dispersar-se. Assim, levará um tempo maior que 8 minutos para deixarem o local. Esta prática não deve ser considerada na determinação do tempo de egresso.
7.3 Distâncias máximas a serem percorridas
7.3.1 As distâncias máximas de percurso para o espectador, partindo de seu assento ou posição, tendo em vista o tempo máximo de saída da área de acomodação e o risco à vida humana, são:
a. 60 m para se alcançar um local de segurança ou de relativa segurança (ver Capítulo 4 – Definições);
b. 30 m até o patamar de entrada do “vomitório” mais próximo. Para edificações existentes, aceita-se até 40 m;
c. 10 m para se alcançar um acesso radial (ver Figura 7), para estádios e similares, e 7 m para arquibancadas provisórias, ginásios cobertos e similares;
d. Nos casos de eventos temporários em locais descobertos, a distância máxima a ser percorrida não poderá ser superior a 120 m.
7.4 Taxa de fluxo
7.4.1 Para dimensionar o abandono de uma edificação, deve ser utilizada a taxa de fluxo (F) que é o indicativo do número de pessoas por minuto que passam por determinada largura de saída (pessoas/minuto).
7.4.2 O dimensionamento será em função do fluxo de pessoas por minuto (pessoas/minuto) que passam por uma circulação de saída. O fluxo a ser considerado nesta IT deve ser conforme as taxas abaixo:
a. nas escadas e circulações com degraus: 66 pessoas por minuto por metro. Aceita-se, para edificações existentes, o valor de 73 pessoas/minuto/metro;
b. nas saídas horizontais (rampas, portas, corredores): 83 pessoas por minuto por metro. Aceita-se, para edificações existentes, o valor de 109 pessoas/minuto/metro.
7.4.3 Exemplos de dimensionamentos:
7.4.3.1 Siglas adotadas:
P = população (pessoas)
E = capacidade de escoamento (pessoas)
D = densidade (pessoas/m²)
F = taxa de fluxo (pessoas/minuto)
L = largura (metro)
A = área (m²)
7.4.3.2 Exemplo 1: Arquibancada para público em pé em estádio existente – considerando um setor de arquibancadas com dimensões de 20 m de frente por 18 m de profundidade (área útil para público em pé). Determinar a largura dos acessos radiais para a população deste setor:
a. densidade máxima (D): 4 pessoas/m²;
b. cálculo da população (P) total:
c. P = A x D
d. P = (20m x 18m) x D
e. P = 360 x 4 = 1440 pessoas;
f. fluxo (F) nos acessos radiais = 73 pessoas por minuto por metro (estádio existente);
g. tempo (T) de saída do setor = máximo de 8 minutos (estádio);
h. capacidade de escoamento (E) por metro: E = F x T
i. E = 73 x 8 = 584 pessoas por metro;
j. largura necessária = 1440 / 584 = 2,47 metros, no mínimo.
7.4.3.3 Exemplo 2: Arquibancada para público sentado em estádio novo (assentos individuais), considerando um setor de arquibancadas com dimensões de 20 m de frente por 28,80 m de profundidade. Determinar o número necessário de acessos (considerar os acessos com largura de 1,40 m):
a. largura (L) mínima dos patamares: L = 0,80 m (assentos fixos);
b. espaçamento entre assentos = 0,50 m;
c. quantidade de assentos por patamar: 20 m / 0,50 m = 40 assentos;
d. quantidade de patamares (filas de assentos): 28,80 m / 0,80 m = 36 patamares totais;
e. cálculo da população: P = 36 x 40 = 1440 pessoas;
f. fluxo (F) nos acessos radiais (F = 66 pessoas por minuto por metro, ou 92 pessoas para uma largura de 1,40 m);
g. tempo (T) de saída do setor = máximo de 8 minutos (estádio);
h. capacidade de escoamento (E) para cada acesso de 1,40 m: E = F x T = 92 x 8 = 736 pessoas;
i. quantidade de acessos necessários (P / E) = 1440 / 736 = 2 acessos de 1,40 m cada (um acesso em cada extremidade do setor).
7.4.3.4 Exemplo 3: Largura das saídas horizontais e verticais considerando um estádio novo com capacidade máxima de 65.000 espectadores, dimensionar a largura total das saídas.
7.4.3.4.1 Para saídas horizontais (corredores e portas):
a. fluxo (F) nas saídas horizontais = 83 pessoas por minuto por metro;
b. tempo (T) de saída dos setores = máximo de 8 minutos;
c. capacidade de escoamento (E) para saída por metro: E = F x T = 83 x 8 = 664 pessoas;
d. largura total das saídas horizontais necessárias: 65.000 / 664 = 98 metros, distribuídos de forma a atender aos requisitos desta IT (divisão por setores, larguras mínimas, caminhamento máximo etc.).
7.4.3.4.2 Para saídas verticais (escadas):
a. fluxo (F) nas saídas horizontais = 66 pessoas por minuto para cada metro;
b. tempo (T) de saída dos setores = máximo de 8 minutos;
c. capacidade de escoamento (E) por metro: E = F x T = 66 x 8 = 528 pessoas;
d. largura total das escadas: 65.000 / 528 = 123 metros de escadas, distribuídos de forma a atender aos requisitos desta IT (divisão por setores, larguras mínimas, caminhamento máximo etc.).
8 Medidas específicas
8.1 Sala de comando e controle
8.1.1 Na edificação, deve-se prever uma sala em local estratégico, que possa dar visão completa de todo recinto (setores de público, campo, quadra, arena e outros), devidamente equipada com todos os recursos de informação e de comunicação disponíveis no local, incluindo controle de acesso.
8.1.1.1 Nesta sala, devem-se interligar os sistemas de monitoramento, de som e de alarmes (incêndio e segurança) existentes no recinto.
8.1.1.2 A sala de comando e controle funcionará como posto de comando integrado das operações desenvolvidas em situação de normalidade, sendo que em caso de emergência, deve-se avaliar o melhor local para destinação do posto de comando.
8.1.2 Sonorização
8.1.2.1 Os recintos devem ser equipados com sistema de sonorização, setorizados, que permita difundir, em caso de emergência, aviso de abandono ao público e acionar os meios necessários de socorro.
8.1.2.2 Os equipamentos de sonorização devem ser conectados a sistemas autônomos de alimentação elétrica para que, no caso de interrupção do fornecimento de energia, sejam mantidos em funcionamento por período mínimo de 120 minutos.
8.1.2.3 Antes do início de cada evento, o público presente deve ser orientado quanto à localização das saídas de emergência para cada setor e sobre os sistemas de segurança existentes.
8.2 Acesso de viaturas
8.2.1 Deve-se prever no recinto acesso e saída adequados aos serviços de emergência (incluindo o local da prática desportiva: arena, campo, quadra, pista etc.), obedecendo aos critérios da IT 06 – Acesso de viatura na edificação e áreas de risco.
8.2.2 As vias de acesso e saída dos serviços de emergência devem ser separadas dos acessos e saídas usadas pelo público.
8.2.3 Devem ser garantidos dois acessos de veículos de emergência junto ao campo, em lados ou extremidades opostas, viabilizando a remoção de vítimas.
8.2.4 Deve ser reservada e devidamente sinalizada, área destinada a viaturas de emergência, com dimensão mínima de 20 m de comprimento por 8 m de largura, em local externo, adjacente ao estádio e próximo a um dos portões de acesso ao campo.
8.3 Proteção passiva
8.3.1 Os elementos estruturais dos recintos devem apresentar resistência mecânica compatível com as ações e as solicitações a que são sujeitos (conforme normas da ABNT), bem como, devem possuir resistência ao fogo, suficiente para o abandono seguro dos ocupantes e para as ações de socorro (conforme IT 08 – Resistência ao fogo dos elementos de construção).
8.3.2 A estabilidade estrutural da edificação deve ser comprovada em laudo técnico específico, emitido por profissional capacitado e habilitado.
8.3.3 As áreas internas da edificação (depósitos, escritórios, museus, lojas, sala de imprensa, áreas técnicas, bibliotecas, camarins, administração, estacionamentos, restaurantes, área de concentração dos atletas ou artistas e outras áreas similares) devem ser devidamente compartimentadas das áreas de público e circulações de saída com elementos resistentes ao fogo (ver IT 09 – Compartimentação horizontal e compartimentação vertical). Essa compartimentação pode ser substituída por sistemas de chuveiros automáticos e de detecção automática de incêndio.
8.3.4 Os dutos e “shafts” (horizontais ou verticais) das instalações em geral do recinto devem ser devidamente selados, quando atravessarem qualquer elemento de construção (em especial paredes e lajes), mantendo-se assim a compartimentação dos espaços, o isolamento dos locais e a proteção das circulações (ver IT 09).
8.3.5 A reação ao fogo dos materiais utilizados nos acabamentos, nos elementos de decoração e no mobiliário principal fixo deve ser controlada para limitar o risco de deflagração e a velocidade do desenvolvimento do incêndio.
8.4 Instalações elétricas
8.4.1 As instalações elétricas e o sistema de proteção contra descargas atmosféricas devem atender aos requisitos previstos, respectivamente, na NBR 5410 (Instalações elétricas de baixa tensão) e NBR 5419 (Proteção de estruturas contra descargas atmosféricas).
8.4.2 Os circuitos que alimentam os sistemas ou serviços de segurança devem ser devidamente protegidos contra a ação do fogo e fumaça, conforme as prescrições contidas na IT 41 – Inspeção visual em instalações elétricas de baixa tensão.
8.5 Brigada de incêndio
8.5.1 Os critérios para constituição da brigada de incêndio dos recintos devem ser estabelecidos em conformidade com a IT 17 – Brigada de incêndio.
8.6 Equipamentos de segurança contra incêndio
8.6.1 Os equipamentos de segurança contra incêndio dos recintos devem ser projetados de acordo com o Regulamento de Segurança contra Incêndio das edificações e áreas de risco no Estado de São Paulo e respectivas Instruções Técnicas, devendo considerar os riscos específicos a serem protegidos e as adaptações admitidas neste capítulo.
8.6.1.1 Os responsáveis pelo evento deverão disponibilizar chaves mestras, na sala de comando e controle e no posto de comando integrado, para abertura de todos os locais de acesso restrito que contenham equipamentos de combate a incêndio, bem como manter os integrantes da brigada de incêndio e da segurança com cópia da chave mestra, próximo aos locais de uso.
8.6.2 Extintores
8.6.2.1 A proteção por extintores deverá atender aos parâmetros da IT 21, admitindo-se as adaptações abaixo.
8.6.2.2 Nos locais de acesso de público para assistência aos espetáculos desportivos, os extintores, devem ser instalados em armários, em locais de acesso restrito à brigada de incêndio e ao pessoal de segurança, com percurso máximo (caminhamento) de 35 m para se alcançar um armário. Estes locais, quando trancados, deverão possuir chave mestra.
8.6.2.3 As áreas de acomodação do público (arquibancadas) estão isentas da instalação de extintores de incêndio e do caminhamento do item anterior.
8.6.2.4 Nos locais administrativos, vestiários, bares, restaurantes, museus, lojas, cabines de rádios, camarotes, sala de imprensa, estacionamentos cobertos e demais áreas onde não há presença de espectadores, deve-se atender às prescrições da IT 21.
8.6.3 Sistema de Hidrantes
8.6.3.1 A proteção por hidrantes deverá atender aos parâmetros da IT 22, admitindo-se as adaptações abaixo.
8.6.3.2 Nos locais de acesso de público, os hidrantes poderão ser instalados em locais de acesso restrito ao Corpo de Bombeiros e à Brigada de Incêndio, em armários próprios, com chave mestra.
8.6.3.3 As áreas de acomodação do público (arquibancadas, cadeiras, sociais e similares) estão isentas da instalação de hidrantes, devendo ser cobertas pelos hidrantes instalados nas circulações de acesso, permitindo-se adotar até 60 m de mangueiras (divididos em lances de 15 metros). Nas demais áreas adota-se as prescrições da IT 22.
8.6.4 Sistema de iluminação de emergência
8.6.4.1 A proteção pelo sistema de iluminação de emergência é obrigatória em todos os eventos, devendo atender às prescrições da IT 18 – Sistema de iluminação de emergência.
8.6.4.2 O sistema de iluminação e os demais sistemas de emergência devem possuir duas fontes alternativas de energia, sendo recomendado o uso de grupo motogerador.
8.6.4.3 Nos recintos com capacidade acima de 5.000 espectadores é obrigatória a instalação de grupo motogerador de energia, para a manutenção de todos os sistemas elétricos de segurança (emergência).
8.6.4.4 A iluminação do espetáculo esportivo deve ser mantida acesa até a saída total do público, devendo seu desligamento ser efetuado apenas após consulta ao Posto de Comando.
8.6.5 Sistema de detecção e alarme de incêndio
8.6.5.1 O sistema de detecção e alarme de incêndio deve ser setorizado e monitorado pela central de segurança, atendendo às prescrições da IT 19 – Sistema de detecção e alarme de incêndio.
8.6.5.2 Os acionadores manuais de alarme devem ser instalados junto aos hidrantes. Os avisadores sonoros, nas áreas de acomodação e de circulação do público, devem ser substituídos por sistema de som audível.
8.6.5.3 Junto à central de alarme e na sala de comando e controle, deverá ser instalado microfone conectado ao sistema de som do recinto.
8.6.5.4 As áreas técnicas, depósitos, museus, lojas, subsolos, shafts, dutos, espaços confinados e outras áreas similares devem ser protegidas por detecção automática de incêndio.
8.6.6 Sinalização de emergência e geral
8.6.6.1 O sistema de sinalização de emergência é obrigatório em todos os eventos, conforme parâmetros da IT 20 (Sinalização de emergência).
8.6.6.2 Todas as saídas, as circulações, os acessos, os setores, os blocos, os equipamentos de segurança, os riscos específicos, as áreas de acomodação do público, os serviços de socorro e as orientações em geral devem ser devidamente sinalizadas e visíveis, atendendo aos objetivos desta IT.
8.6.6.3 Devem ser instaladas, em todos os acessos de entrada do recinto, placas indicativas da capacidade total de público, e nas entradas dos setores, placas indicativas da capacidade de público do respectivo setor (ver Figura 15).
8.7 Devem ser fixados, em locais visíveis do estádio, mapas indicando:
a. a localização atual do usuário no estádio;
b. as duas saídas de emergência mais próximas;
c. o caminhamento para atingir essas saídas;
d. telefones da central de segurança do estádio;
e. outras informações úteis.
8.8 Gás combustível (GLP e GN)
8.8.1 O uso de GLP ou de GN deve atender aos requisitos da IT 28 – Manipulação, armazenamento, comercialização e utilização de gás liquefeito de petróleo (GLP) ou da IT 29 – Comercialização, distribuição e utilização de gás natural, respectivamente.
8.8.2 Não é permitido o uso de gás combustível nos locais de vendas, nas áreas de acomodação e circulação do público.
Parecer Técnico nº CCB-023/800/23 – Líquidos inflamáveis e GLP em “máquinas de fogo” em locais de reunião de público.
8.9 Subsolos
8.9.1 Os subsolos que possuírem ocupações distintas de estacionamento de veículos (subsolos ocupados) devem atender às exigências adicionais contidas no Regulamento de Segurança Contra Incêndios das edificações e áreas de risco no Estado de São Paulo, principalmente quanto às medidas de controle de fumaça; chuveiros automáticos; rotas de fuga; detecção automática de incêndio e compartimentação.
8.10 Controle de acesso
8.10.1 Em todos os eventos, com áreas delimitadas, devem ser instalados mecanismos de controle de acesso de público (catracas reversíveis ou outros dispositivos de controle, desde que aprovados pelas autoridades competentes), de forma a se garantir a lotação prevista no projeto. Este controle é responsabilidade dos organizadores do evento.
8.10.2 É vedada a realização de eventos com entrada franca, em recintos com áreas delimitadas, sem o devido controle de acesso e da lotação máxima.
9 Edificações de caráter temporário
9.1 Além dos critérios estabelecidos nesta IT, as edificações ou eventos cuja infra-estrutura seja de caráter temporário (desmontável), conforme o disposto na IT 01 – Procedimentos administrativos, devem atender ainda aos requisitos abaixo.
9.1.1 Os espaços vazios abaixo das arquibancadas não podem ser utilizados como áreas úteis, tais como depósitos de materiais diversos, áreas de comércio, banheiros e outros, devendo ser mantidos limpos e sem quaisquer materiais combustíveis durante todo o período do evento.
9.1.2 Os vãos (espelhos) entre os assentos das arquibancadas que possuam alturas superiores a 0,3 m devem ser fechados com materiais de resistência mecânica análoga aos guarda-corpos, de forma a impedir a passagem de pessoas.
9.1.3 Em ocupações temporárias (desmontáveis) são aceitos pisos em madeira na rota de fuga, desde que possuam resistência mecânica compatível, características antiderrapantes e sejam afixados de forma a não permitir sua remoção sem auxílio de ferramentas.
9.1.4 Os circuitos elétricos e fiação do sistema de iluminação de emergência devem ser instalados em conformidade com a IT 18 – Iluminação de emergência e as demais instalações elétricas e o sistema de proteção contra descargas atmosféricas devem atender aos requisitos previstos, respectivamente, na NBR 5410 e NBR 5419.
9.1.5 Nos locais destinados aos espectadores e rotas de fuga todas as fiações e circuitos elétricos devem estar embutidos, além de devidamente isolados.
9.1.6 Nas barreiras ou alambrados que separam área do evento dos locais de público devem ser previstas passagens que permitam aos espectadores sua utilização em caso de emergência, mediante sistema de abertura acionado pelos componentes do serviço de segurança ou da brigada de incêndio.
9.1.7 Os recintos devem ser servidos por, no mínimo, duas vias de acesso que permitam a aproximação, estacionamento e a manobra das viaturas do Corpo de Bombeiros e atender aos demais requisitos preconizados na IT 06 – Acesso de viaturas na edificação e áreas de risco.
9.1.8 Os elementos estruturais dos recintos devem apresentar resistência mecânica compatível com as ações e solicitações a que são sujeitos, levando-se em consideração, inclusive, a resistência e comportamento do solo que receberá as cargas, as ações das intempéries e ventos.
9.1.9 Documento comprobatório de responsabilidade técnica referente às arquibancadas e outras montagens, conforme requerido pela IT 01, devem também abranger os requisitos acima descritos.
9.1.10 Os materiais utilizados nos acabamentos, elementos de decoração, coberturas flexíveis (lonas) e no mobiliário principal devem ser especificados de forma a restringir a propagação de fogo e o desenvolvimento de fumaça, com a devida comprovação por meio de documentação pertinente.
9.1.11 Os elementos de suporte estrutural das tendas ou outras coberturas flexíveis devem possuir as mesmas características de resistência e/ou retardo de fogo, de forma a garantir a necessária evacuação do público.
9.1.12 Deverá ser apresentado documento comprobatório de responsabilidade técnica referente às estruturas provisórias (palcos, arquibancadas, tendas, camarotes, estruturas suspensas e outros), instalações elétricas (iluminação, sonorização, grupo motogerador e outros), equipamentos, instalações dos brinquedos de parques de diversão e outros.
9.1.13 Deverão ser garantidos dois acessos de veículos de emergência com dimensões mínimas de 4 metros de largura e 4,5 metros de altura até o espaço de concentração de público (campo, arena ou outros), em lados ou extremidades opostas, viabilizando a remoção de vítimas.
9.1.14 Em eventos realizados em pistas, campos, praças e similares, com previsão de público em pé, que possuam locais de concentração de público acima de 10.000 pessoas, devem ser previstos corredores de acesso aos componentes do serviço de segurança ou da brigada de incêndio, com largura mínima útil (livre e desimpedidas) de 2,50 m.
9.1.14.1 Estes corredores de acesso deverão ser previamente definidos pelas autoridades competentes
9.2 As edificações ou eventos cuja infraestrutura seja de caráter temporário (desmontável) conforme o disposto na IT 01 – Procedimentos administrativos, não devem atender o item 8.1 desta IT e seus subitens.
10 Edificações existentes
10.1 As ocupações enquadradas no item 2.1 desta Instrução Técnica, consideradas existentes nos termos do Regulamento de Segurança contra Incêndio das edificações e áreas de risco no Estado de São Paulo, e que não permitam, pelas suas características, as adequações previstas nesta IT, devem ser avaliadas pelo Serviço de Segurança contra Incêndio, no tocante à exigência tecnicamente inviável.
10.2 O responsável técnico pelo pedido de avaliação deve apresentar as justificativas quanto à impossibilidade do atendimento dos requisitos desta IT, devidamente embasadas tecnicamente, e propor medidas alternativas, de forma a garantir o abandono seguro das pessoas e a intervenção do socorro público de maneira rápida e segura em caso de emergência.
11 Prescrições diversas
11.1 O responsável pelo evento, o administrador da edificação ou o gerente de operações deve apresentar no Corpo de Bombeiros, o Plano de Emergência, contemplando, dentre outras medidas, o planejamento de abandono do público em emergências.
11.2 Devem ser instalados postos de atendimento pré-hospitalar em pontos distintos do recinto, atendendo às normas pertinentes.
11.3 Recomenda-se que seja reservada e devidamente sinalizada, uma área para pouso de aeronaves de emergência, com dimensões mínimas de 30 m x 30 m, observando o prescrito nas normas pertinentes.
11.4 O organizador do evento deverá estar atento às recomendações das autoridades federais, estaduais e municipais que poderão evidenciar outras limitações em decorrência dos efeitos dos impactos ambientais e urbanos gerados pelo evento.
11.5 O atendimento às exigências contidas nesta IT não exime o responsável pela edificação ou evento da responsabilidade do atendimento a outras normas, legislações e medidas de segurança específicas, como a instalação de locais adequados para o atendimento médico de urgência e o emprego de pessoal qualificado para tal, dentre outras
Anexos
Figura 2: Barreiras, guarda-corpos e corrimãos centrais: cargas de projeto, alturas e disposições
Figura 9: Barreiras antiesmagamento – posição e resistência mecânica
Figura 11: Perspectiva de vomitório padrão
Notas:
– Largura mínima de A ou B deve ser 1,20 m, sendo somados A + B, não pode ser superior a 3 m de largura.
– Para efeito de cálculo de dimensionamento dos obstáculos adotar a seguinte fórmula: 2 (A + B) = 2C / 3 ou (A + B) = C/3.
Fonte: CBPMESP e ARENA.
Figura 14: Obstáculos na entrada de acesso














