Sumário
ToggleInformações sobre a norma
A IT 23/2025 está em vigor desde 20 de março de 2025, conforme disposto na Portaria nº CCB-003/800/2025.
Substituiu a Instrução Técnica nº 23/2019 – Sistemas de chuveiros automáticos.
Publicada no Diário Oficial do Estado de São Paulo, Edição de 20 de março de 2025, Caderno Executivo, Seção Atos Normativos.
Atualizada conforme disposto na Portaria nº CCB-005/800/2025 de 25 de março de 2025.
Esta Instrução Técnica está compilada, ou seja, todas as alterações ocorridas depois da sua publicação estão incorporadas no texto.
Portarias relacionadas à IT 23/2025 – Sistemas de chuveiros automáticos
Portaria nº CCB-003/800/2025 – Dispõe sobre as Instruções Técnicas do Corpo de Bombeiros da Polícia Militar do Estado de São Paulo a que alude o Decreto Estadual nº 69.118, de 9 de dezembro de 2024.
Portaria nº CCB-005/800/2025 – Dispõe sobre erratas da Instrução Técnica (IT) nº 23 do Corpo de Bombeiros da Polícia Militar do Estado de São Paulo publicada em 20 de março de 2025.
Cursos
SECRETARIA DA SEGURANÇA PÚBLICA
POLÍCIA MILITAR DO ESTADO DE SÃO PAULO
Corpo de Bombeiros
INSTRUÇÃO TÉCNICA Nº 23/2025
Sistemas de chuveiros automáticos
1 Objetivo
Fixar parâmetros para dimensionamento e instalação de sistema fixo de combate a incêndio, denominado Sistema de Chuveiros Automáticos, com o objetivo de confinar o fogo na área de aplicação, controlando ou extinguindo o foco de incêndio em seu estágio inicial, por meio de descarga automática de água, ao mesmo tempo que este sistema aciona simultaneamente o alarme de incêndio da edificação, propiciando a fuga dos usuários e alertando os brigadistas, atendendo ao previsto no Regulamento de Segurança contra Incêndio das edificações e áreas de risco do Estado de São Paulo em vigor.
2 Aplicação
2.1 Esta Instrução Técnica (IT) aplica-se a todas as edificações onde é exigida a instalação de chuveiros automáticos ou nos casos em que a instalação se dê por outros motivos, exceto nas áreas de depósito e nos casos específicos referenciados em outras IT.
2.2 Nos assuntos omissos ou não detalhados nesta norma, adotam-se subsidiariamente a NBR 10897 – Sistemas de proteção contra incêndio por chuveiro automático.
2.3 Nos locais destinados a depósito deve ser aplicada a IT 24.
2.4 Para fins de aplicação desta IT, aplicam-se os seguintes conceitos referentes às ocupações:
2.4.1 Ocupações de risco leve
2.4.1.1 São compreendidas as ocupações ou parte das ocupações onde a quantidade e/ou a combustibilidade do conteúdo (carga de incêndio) for baixa, tendendo à moderada, e onde for esperada uma taxa de liberação de calor de baixa a média. Serão classificadas como risco leve as ocupações classificadas como baixa carga de incêndio na IT 14, até 300 MJ/m².
2.4.1.2 As edificações das divisões D-1 e D-2 (conforme a tabela 1 do Regulamento de Segurança contra Incêndio) podem ser classificadas como risco leve, independentemente da carga de incêndio na IT 14. (NR Portaria nº CCB-005/800/2025)
2.4.2 Ocupações de risco ordinário
2.4.2.1 Grupo I: São compreendidas as ocupações ou parte de ocupações onde a combustibilidade do conteúdo for baixa e a quantidade de materiais combustíveis for moderada. São esperados incêndios com moderada taxa de liberação de calor. Serão classificadas como risco ordinário Grupo I as ocupações consideradas de média carga de incêndio na IT 14, acima de 300 MJ/m² até 800 MJ/m².
2.4.2.2 Grupo II: São compreendidas as ocupações ou parte de ocupações onde a quantidade e a combustibilidade do conteúdo forem de moderada a alta. São esperados incêndios com alta taxa de liberação de calor. Serão classificadas como risco ordinário Grupo II as ocupações consideradas de média carga de incêndio na IT 14, acima de 800 MJ/m² até 1200 MJ/m².
2.4.2.3 As edificações das divisões G-1 e G-2 (conforme a tabela 1 do Regulamento de Segurança contra Incêndio) serão classificadas como risco ordinário II, independentemente da carga de incêndio, conforme a IT 14. (NR Portaria nº CCB-005/800/2025)
2.4.3 Ocupações de risco extra ou extraordinário
2.4.3.1 Grupo I: São compreendidas as ocupações ou parte de ocupações onde a quantidade e a combustibilidade do conteúdo forem muito altas, podendo haver a presença de pós e outros materiais que provocam incêndios de rápido desenvolvimento, produzindo alta taxa de liberação de calor. Neste grupo, as ocupações não podem possuir líquidos igníferos. Serão classificadas como risco extraordinário Grupo I as ocupações consideradas de alta carga de incêndio na IT 14, acima de 1200 MJ/m².
2.4.3.2 Grupo II: Compreendem as ocupações com moderada ou substancial quantidade de líquidos combustíveis ou inflamáveis. Serão classificadas como risco extraordinário Grupo II as ocupações consideradas de alta carga de incêndio na IT 14, classificadas como “M-2”.
2.4.3.2.1 Estacionamentos que utilizam sistema vertical de empilhamento de veículos ou elevador com até dois níveis de empilhamento serão classificados como extraordinário Grupo II.
2.4.4 Áreas de armazenamento: Qualquer tipo de armazenamento, mesmo transitório e de qualquer altura, deve ser protegido de acordo com a IT 24.
2.4.5 As edificações existentes, mesmo que não licenciadas ou com mudança de ocupação, área ou altura, poderão manter a classificação de risco para a ocupação atual, adotando a tabela de classificação de ocupações da NBR 10897 ou Anexo A da NFPA 13. Para essas ocupações, é facultada a adoção das classificações de risco conforme a IT 14.
2.5 Teto combustível desobstruído: tetos cujas vigas, nervuras ou outros elementos não impedem o fluxo de calor e a distribuição de água, portanto não afetam fisicamente a capacidade de controle ou supressão de incêndio pelos chuveiros automáticos.
2.6 Teto combustível obstruído: tetos cujas vigas, nervuras ou outros elementos impeçam o fluxo de calor e a distribuição de água, afetando fisicamente a capacidade de controle ou supressão de incêndio pelos chuveiros automáticos.
3 Definições
3.1 Para os efeitos desta Instrução Técnica aplicam-se as definições constantes da IT 03 – Terminologia de segurança contra incêndio e no Regulamento de Segurança Contra Incêndios das edificações e áreas de risco no Estado de São Paulo.
4 Procedimentos
4.1 Os sistemas de proteção por chuveiros automáticos devem ser elaborados de acordo com critérios estabelecidos em normas técnicas brasileiras, sendo aceita a norma NFPA 13 da National Fire Protection Association, se o assunto não for por elas contemplado. A área de operação, tabelas e demais parâmetros técnicos devem seguir os critérios contidos nesta IT.
4.2 Para fins de apresentação junto ao CBPMESP, deve ser elaborado um projeto técnico com simbologia atendendo ao contido na IT 04, devendo ser apresentado o projeto preliminar, de acordo com as normas técnicas, contendo o esquema isométrico da área de operação e caminhamento da tubulação até o abastecimento de água.
4.2.1 O projeto executivo do sistema de chuveiros automáticos não necessita ser encaminhado para análise junto ao Corpo de Bombeiros, mas deve estar à disposição na edificação para suprir possíveis dúvidas do agente vistoriador.
4.3 Nas edificações onde houver exigência da instalação do sistema de chuveiros automáticos, deve-se atender a toda área de edificação, exceto:
4.3.1 Casa do zelador, quando localizada na cobertura.
4.3.2 A critério do projetista, a instalação de chuveiros automáticos em casa de máquinas, subestações, casa de bombas de incêndio, sala de gerador e similares onde haja exclusivamente equipamentos elétricos energizados, pode ser substituída pela instalação de detectores, ligados ao sistema de alarme do prédio ou ao alarme do sistema de chuveiros automáticos.
4.3.3 A substituição prevista no item acima fica limitada a compartimentos com área máxima de 200 m².
4.3.3.1 Aplicam-se os mesmos critérios para os CPD localizados no interior das edificações, sendo que os compartimentos ficam com área máxima limitada a 40 m² desde que exista compartimentação entre CPD e os ambientes adjacentes.
4.3.4 Os Sistemas fixos de gases para combate a incêndio, instalados conforme IT 26, podem substituir o sistema de chuveiros automáticos em áreas de até 100 m², desde que este ambiente seja compartimentado conforme IT 09.
4.3.5 As varandas permanentemente abertas que não possuam material combustível armazenado estão isentas do sistema de chuveiros automáticos.
4.3.5.1 O material de acabamento e revestimento das varandas deve ser incombustível.
4.3.5.2 Não poderá ser realizado qualquer fechamento, parcial ou total, nas aberturas das varandas, nem alteradas suas características construtivas.
4.3.6 Os vestiários com área até 100 m², banheiros, reservatórios de água, piscinas cobertas.
4.3.7 Escadas enclausuradas, incluindo as antecâmaras.
4.3.8 Projeção de coberturas e beirais de telhado com até 3 m de projeção.
4.4 Nas edificações existentes, onde não exista exigência do sistema de chuveiros automáticos ou quando este for proposto como solução técnica alternativa, pode ser utilizada a instalação parcial, atendendo-se às demais exigências previstas nas demais IT.
4.5 Nos casos de edificações com ocupação mista, a reserva de incêndio deve ser calculada em função da vazão do risco mais grave e do tempo de funcionamento do risco predominante.
5 Sistema de alarme e conexões de teste
5.1 O alarme de incêndio deve ser ativado pelo fluxo de água equivalente ao fluxo em um chuveiro automático de menor orifício instalado no sistema. O alarme sonoro deve ser acionado no máximo 2 min após o início do fluxo e ser identificado na central de alarme.
5.2 Para sistemas de tubulação molhada, os equipamentos de alarme devem ser constituídos de uma válvula de governo e alarme ou outro detector de fluxo.
5.3 Para sistemas de pré-ação e dilúvio, os equipamentos de alarme devem ser constituídos de dois alarmes acionados independentemente, sendo um pelo sistema de detecção e outro pelo fluxo de água.
5.4 As chaves de alarme de fluxo de água tipo “palheta com retardo automático” devem ser instaladas apenas em sistemas de tubo molhado.
5.5 O dispositivo de alarme deve atender aos parâmetros da IT 19.
5.6 O dreno do dispositivo de alarme deve ser dimensionado de modo a não haver transbordamento.
5.7 O gongo hidráulico, normalmente presente nas válvulas de governo e alarme, pode ser substituído pelo alarme elétrico, interligando a mesma ao sistema de alarme principal da edificação, de forma a avisar quando passar água no sistema a partir do funcionamento de um único chuveiro.
5.7.1 Toda a tubulação dos gongos hidráulicos deve ser feita com material resistente à corrosão e em diâmetro não inferior a DN 20.
5.8 Edificações térreas: Cada sistema de chuveiros automáticos deve ser provido de uma conexão de teste de alarme, cuja principal função é testar o funcionamento dos alarmes de fluxo de água (gongo, chave de fluxo). A conexão deve ser composta por uma tubulação de diâmetro nominal mínimo de 25 mm, dotada de válvula-globo e de um bocal com orifício não corrosivo, de diâmetro nominal igual ao do chuveiro automático de menor orifício utilizado no sistema, e de acordo com as condições descritas a seguir:
a) o orifício pode ser obtido com um chuveiro automático cujo defletor tenha sido removido;
b) a conexão deve ser instalada em qualquer ponto da rede, desde que esteja situada após o sistema de alarme de fluxo de água;
c) a conexão deve ser situada em local de fácil acesso, onde possa ser observada a descarga de água.
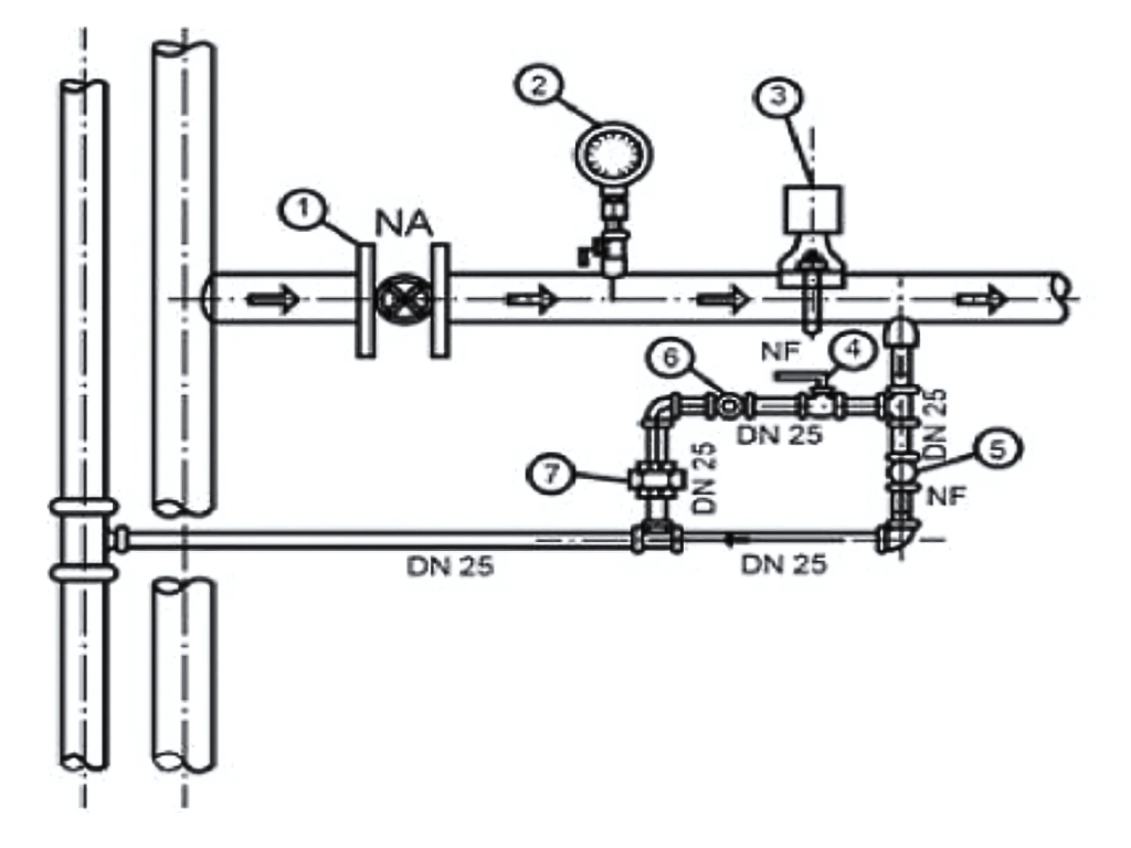
5.9 Em edificações de múltiplos pavimentos, a conexão de teste de alarme de cada pavimento deve fazer parte do controle setorial, conforme a Figura 1.
Figura 1 – Chave de comando secundário
Legenda
1) válvula de bloqueio
2) manômetro: O mostrador do manômetro deve ter capacidade para indicar pressões de até no mínimo duas vezes a pressão nominal de operação da bomba, mas não menos que 13,8 bar
3) chave de fluxo com retardo pneumático, ligada ao painel de alarmes
4) válvula-teste (T)
5) dreno (D)
6) visor de fluxo
7) união de aço galvanizado assento plano, com placa de orifício resistente à corrosão e orifício igual ao menor chuveiro utilizado na instalação
NA Normalmente aberta
NF Normalmente fechada
5.10 Em sistemas de ação prévia, deverá ser prevista uma conexão de teste utilizando o ar supervisório.
5.11 Em sistemas de dilúvio não é necessário instalar conexão de teste.
5.12 Quando for necessária a redução de pressão, em sistemas conjugados ou não, devem ser utilizadas válvulas redutoras de pressão, aprovadas para o uso em instalações de proteção contra incêndios.
5.12.1 Não são aceitas placas de orifício para balanceamento do sistema de chuveiros automáticos.
5.12.2 O registro de recalque para chuveiros automáticos deve conter sinalização e indicação claras, de forma a ser diferenciado do recalque do sistema de hidrantes, de acordo com o Anexo D desta IT.
5.12.3 O dispositivo de recalque deve ser duplo e preferencialmente do tipo coluna. Onde houver impossibilidade técnica o dispositivo de recalque pode ser instalado no passeio público, de acordo como Anexo D desta IT.
6 Forros e coberturas
6.1 Nos locais com forros combustíveis, os chuveiros automáticos devem ser instalados acima para proteção do espaço entre forro, podendo ser risco leve.
6.2 Quando houver forros incombustíveis, os chuveiros automáticos devem ser instalados para proteção do espaço entre forro somente se houver carga de incêndio, podendo ser risco leve.
6.2.1 As eletrocalhas fechadas não caracterizam carga de incêndio para os critérios de proteção estabelecidos neste item.
6.2.2 Forros ou telhados vazados com aberturas maiores que 70% não necessitam de proteção por chuveiros automáticos.
7 Generalidades das instalações dos chuveiros automáticos
7.1 O espaçamento dos chuveiros automáticos não pode exceder a maior área de cobertura permitida por chuveiro.
7.2 As válvulas e manômetros do sistema devem estar acessíveis para operação, inspeção e manutenção. Esses acessórios não precisam necessariamente estar em local aberto, podendo ser instalados em abrigos com portas, painéis removíveis ou tampas. Os acessórios não podem estar obstruídos permanentemente por paredes, dutos, colunas ou similares.
7.3 Chuveiros automáticos em pé devem ser instalados com os braços paralelos aos ramais.
7.4 A fonte de abastecimento de água do sistema de chuveiros automáticos deve estar em conformidade com o anexo B da IT 22.
7.5 Os conjuntos de bombas estacionárias para sistema de chuveiros automáticos, devem seguir os requisitos dispostos com o anexo C da IT 22 e NBR 16704.
7.5.1 As bombas para o sistema de chuveiros automáticos devem obrigatoriamente ser em pressão positiva, não sendo admitido reservatório de escorva.
7.6 O dimensionamento do sistema de chuveiros automáticos para edificações do Grupo C, que possuam armazenamento superior a 3,70 m de altura, deve ser feito de acordo com a IT 24.
7.7 Em salas pequenas de risco leve, com teto desobstruído e área de piso de no máximo 75 m², fechada por paredes e teto incombustíveis, os chuveiros podem ser posicionados a até 2,70 m de qualquer parede, desde que toda área da sala esteja protegida, e que sejam atendidas as limitações de espaçamento e áreas máximas de cobertura por chuveiro automático conforme 8.11.
7.8 Os tubos de policloreto de vinila clorado (CPVC), unidos por conexões soldadas conforme as ABNT NBR 15647 e ABNT NBR 15648, podem ser utilizados em sistemas de proteção contra incêndio por chuveiros automáticos para ocupações de risco leve até pressões de 1,21 MPa e em temperaturas ambientes até 65 °C.
7.9 Os sistemas de chuveiros automáticos que utilizam a fixação de tubulações através de conexões por compressão podem ser utilizados em ocupações de risco leve e ordinário, não podendo ser empregado em ocupações de risco extra ou extraordinário.
7.10 As obstruções à descarga dos chuveiros automáticos deverão seguir o disposto na NBR 10897.
8 Parâmetros de dimensionamento
8.1 O dimensionamento do sistema deve ser feito por cálculo hidráulico conforme parâmetros do item 10 desta IT.
8.1.1 Edificações existentes com sistema dimensionado por tabela poderão seguir conforme norma da época.
8.2 Nos casos em que hidrantes e mangotinhos sejam instalados em conjunto com o sistema de chuveiros automáticos, as vazões e pressões mínimas exigidas na IT 22, devem ser garantidas, sendo somadas as reservas efetivas de água para o combate a incêndios, atendendo aos requisitos técnicos previstos nas normas técnicas oficiais.
8.3 Os chuveiros automáticos tipo spray em pé e pendentes de cobertura-padrão podem ser usados em todos os tipos de riscos e de tetos.
8.4 Os chuveiros automáticos tipo spray laterais de cobertura padrão só podem ser usados em ocupações de risco leve com tetos lisos e planos. Excepcionalmente, podem ser usados em ocupações de risco ordinário com tetos lisos e planos, quando especificamente ensaiados e aprovados para este fim.
8.5 Os chuveiros automáticos de cobertura estendida só podem ser utilizados em locais cujos tetos sejam planos, lisos, sem obstruções, com uma inclinação máxima de 16,7%.
8.6 Os chuveiros automáticos tipo spray em pé e pendentes de cobertura estendida podem ser usados dentro de treliças metálicas cujos elementos tenham seção transversal máxima de 25 mm ou espaçamento maior que 2,3 m entre si.
8.7 Sistemas de ação prévia com bloqueio duplo não podem ser do tipo grelha.
8.8 Áreas máximas de proteção
8.8.1 Nas edificações elevadas, constituídas de múltiplos pavimentos, serão aceitos os limites de área máxima prevista na Tabela 1 para cada válvula de governo e alarme (VGA), sendo que após a instalação de pelo menos uma, no pavimento mais baixo, para cada limite de área atendida, nos demais pavimentos deverão ser previstos conexão setorial de dreno, ensaio e alarme (CS) nas respectivas prumadas de cada VGA.
8.8.1.1 Caso a reserva e bomba sejam elevadas, não há necessidade de previsão de VGA na prumada principal, mantendo-se as CS nos pavimentos, desde que as áreas de cada um dos pavimentos não ultrapassem os limites de área máxima prevista na Tabela 1 para cada VGA.
8.8.2 Quando não houver necessidade da instalação de mais do que uma VGA a instalação pode ser dispensada, substituindo-se por válvula de retenção instalada na expedição da bomba e chave de fluxo para acionamento do alarme, de modo que atenda às funções da VGA.
8.8.3 A área máxima a ser utilizada para a proteção de um pavimento por uma coluna principal de alimentação deve estar de acordo com a Tabela 1. A área de piso ocupada por mezanino não necessita ser incluída nos limites de área previstos na Tabela 1.
8.8.4 Cada coluna pode alimentar vários pavimentos, desde que cada pavimento possua área igual ou inferior à indicada na Tabela 1. No caso de necessidade de uma área maior por pavimento que a especificada na Tabela 1, devem ser utilizadas tantas colunas quantas forem necessárias para o atendimento da Tabela 1.
8.8.5 Nos casos em que um único sistema for utilizado para proteger simultaneamente uma área de risco extraordinário ou de armazenamento e uma área de risco leve ou ordinário, a área de risco extraordinário ou de armazenamento não pode exceder a área especificada a seguir e a área total de cobertura não pode exceder 4 800 m².
Tabela 1: Área máxima servida por uma coluna de alimentação por pavimento
| Tipo de risco | Método de Cálculo¹ | Área máxima servida por uma coluna de alimentação por pavimento m² |
| Leve | Cálculo hidráulico | 4.800 |
| Ordinário | 4.800 | |
| Extraordinário | 3.700 | |
| Armazenamento | 3.700 |
NOTA 1: Para edificações existentes com sistemas calculados com método de cálculo por tabela, a área máxima da coluna de alimentação poderá seguir a legislação da época.
8.9 Temperatura
A temperatura de operação do bico deve ser dimensionada de acordo com o risco do ambiente instalado, ficando a cargo do responsável técnico sua correta instalação.
8.10 Sensibilidade térmica (velocidade de resposta)
8.10.1 Chuveiros automáticos em novos sistemas instalados em ocupações de risco leve devem ser de resposta rápida.
8.10.2 Chuveiros automáticos de resposta normal podem ser utilizados quando forem feitas modificações ou adições em sistemas existentes em ocupações de risco leve que utilizem chuveiros automáticos de resposta normal.
8.10.3 Quando sistemas existentes em ocupações de risco leve forem convertidos para o uso de chuveiros automáticos de resposta rápida, todos os chuveiros automáticos que fizerem parte da mesma área de incêndio devem ser substituídos por chuveiros automáticos de resposta rápida.
8.10.4 Chuveiros automáticos de resposta rápida não são permitidos em ocupações de risco extra ou extraordinário, se o sistema for calculado pelo método de área-densidade.
8.11 Área de cobertura por chuveiro automático
8.11.1 A determinação da área de cobertura de chuveiros automáticos tipo spray em pé e pendentes de cobertura padrão, controle de aplicação específica (CCAE) e chuveiros Early Suppression Fast Response (ESFR), devem atendem aos parâmetros abaixo e as tabelas 2, 3 e 4.
A área de cobertura por chuveiro (As) é estabelecida pela multiplicação da dimensão S pela dimensão L, ou seja:
As = S x L, conforme descrito a seguir e exemplificado nas Figuras 2 e 3:
a) ao longo dos ramais (S): determinar a distância entre chuveiros automáticos (ou até a parede ou obstrução no caso do último chuveiro no ramal) a montante ou a jusante. Escolher a maior entre as duas dimensões: o dobro da distância até a parede ou obstrução, ou a distância até o próximo chuveiro;
b) entre ramais (L): determinar a distância perpendicular até o chuveiro no ramal adjacente (ou até a parede ou obstrução no caso do último ramal) em cada lado do ramal no qual o chuveiro em questão está posicionado. Escolher a maior entre as duas dimensões: o dobro da distância até a parede ou obstrução, ou a distância até o próximo chuveiro automático.
Se A x 2 > B, então A x 2 = S
Se B > A X 2, então B = S
Se C x 2 > D, então C x 2 = L
Se D > C x 2, então D = L
Área por chuveiro = S x L

Figura 3 – Área de cobertura – Exemplo
S = Maior dimensão: 4,6 m ou 0,9 m x 2
S = 4,6 m
L = Maior dimensão: 3,1 m ou 1,8 m x 2
S = 3,6 m
Área do chuveiro = S x L
= 4,6 m x 3,6 m
= 16,6 m²
Tabela 2: Áreas de cobertura máxima por chuveiro automático e distância máxima entre chuveiros automáticos (chuveiros automáticos tipo spray em pé e pendentes de cobertura padrão)
| Tipo de teto | Método de Cálculo | Área de cobertura (m²) |
Distância máxima entre chuveiros automáticos (m) |
|||
| Leve | Ordinário | Extra | Leve e Ordinário | Extra | ||
| Não combustível obstruído e não obstruído; combustível não obstruído | Calculado por tabela | 18,6 | 12,1 | 8,4 | 4,6 | 3,7 |
| Cálculo hidráulico | 20,9 | 9,3 a 12,1 ᵃ | 3,7 a 4,6 ᵇ | |||
| Combustível obstruído | Calculado por tabela | 15,6 | 8,4 | 3,7 | ||
| Cálculo hidráulico | 9,3 a 12,1 ᵃ | 3,7 a 4,6 ᵇ | ||||
| Combustível com elementos estruturais distanciados a menos de 0,90m |
Calculado por tabela | 12,1 | 8,4 | 3,7 | ||
| Cálculo hidráulico | 9,3 a 12,1 ᵃ | 3,7 a 4,6 ᵇ | ||||
| ᵃ Área de cobertura, risco extra: 9,3 m², se densidade ≥ 10,2 mm/min, e 12,1 m², se densidade < 10,2 mm/min. ᵇ Espaçamento máximo: 3,7m, se densidade ≥ 10,2 mm/min, e 4,6m, se densidade < 10,2 mm/min |
||||||
Tabela 3: Área de cobertura máxima e distância máxima entre chuveiros automáticos para chuveiros CCAE
| Área protegida | Tipo de teto | Área de proteção m² |
Distância máxima entre chuveiros automáticos m² |
| Sem estruturas porta paletes | Incombustível | 12,1 | 3,7 |
| Combustível desobstruído ᵃ | |||
| Combustível obstruído ᵃ | 9,3 | 3,1 | |
| Com estruturas porta paletes | Incombustível | 9,3 | 3,7 |
| Combustível desobstruído ᵃ | |||
| Combustível obstruído ᵃ | 9,3 | 3,1 | |
| ᵃ Ver itens 2.5 e 2.6 | |||
Tabela 4: Área de cobertura máxima e distância máxima entre chuveiros ESFR
| Tipo de teto | Área de cobertura m² |
Distância máxima entre chuveiros m |
|
| Altura do telhado até 9,1m | Altura do telhado acima de 9,1m | ||
| Incombustível | 9,3 | 3,7 | 3,1 |
| Combustível desobstruído ᵃ | |||
| Combustível obstruído ᵃ | Não é permitido | ||
| ᵃ Ver itens 2.5 e 2.6 | |||
8.11.2 Para a determinação da área de cobertura de chuveiros automáticos tipo spray em pé e pendentes de cobertura estendida, a área de cobertura (As) de chuveiros automáticos de cobertura estendida não pode ser menor do que aquela especificada para cada tipo de chuveiro. As áreas de proteção devem ser quadradas, conforme mostrado na Tabela 5.
Tabela 5: Áreas de cobertura máxima por chuveiro automático e distância máxima entre chuveiros automáticos (chuveiros automáticos tipo spray em pé e pendentes de cobertura estendida)
| Teto | Risco Leve | Risco ordinário | Risco Extra | |||
| Área de proteção m² |
Distância m |
Área de proteção m² |
Distância m |
Área de proteção m² |
Distância m |
|
| Sem Obstrução | 37,2 | 6,1 | 37,2 | 6,1 | – | – |
| 30,2 | 5,5 | 30,2 | 5,5 | – | – | |
| 24 | 4,9 | 24 | 4,9 | – | – | |
| – | – | 18,5 | 4,3 | 18,5 | 4,3 | |
| – | – | 13,7 | 3,7 | 13,7 | 3,7 | |
| Incombustível obstruído (quando especificamente ensaiado para este fim) |
37,2 | 6,1 | 37,2 | 6,1 | – | – |
| 30,2 | 5,5 | 30,2 | 5,5 | – | – | |
| 24 | 4,9 | 24 | 4,9 | – | – | |
| – | – | 18,5 | 4,3 | 18,5 | 4,3 | |
| – | – | 13,7 | 3,7 | 13,7 | 3,7 | |
| Combustível desobstruído | N/A | N/A | N/A | N/A | N/A | N/A |
8.11.3 Os Chuveiros automáticos do tipo spray laterais (sidewall) cobertura-padrão, terão sua área máxima permitida para um chuveiro (As) deve ser conforme o valor indicado na Tabela 6. A área máxima de cobertura nunca pode exceder 18,2 m².
8.11.4 A área de cobertura de cada chuveiro (As) deve ser estabelecida pela multiplicação da dimensão S pela dimensão L, ou seja:
As = S x L, conforme descrito a seguir:
a) ao longo da parede (S): determinar a distância entre chuveiros automáticos ao longo da parede (ou até a parede, no caso do último chuveiro no ramal) a montante e a jusante. Escolher a maior entre as duas dimensões: o dobro da distância até a parede final ou a distância até o próximo chuveiro;
b) de um lado a outro do quarto (L): determinar a distância do chuveiro automático até a parede oposta ao chuveiro ou até o ponto médio do quarto, quando houver chuveiros automáticos em duas paredes opostas, observando a distância máxima entre bico.
Tabela 6: Áreas de cobertura por chuveiro automático e distância máxima entre chuveiros automáticos (chuveiro automático tipo spray laterais de cobertura padrão)
| Risco leve | Risco ordinário | |||
| Acabamento combustível | Acabamento incombustível ou de combustibilidade limitada | Acabamento combustível | Acabamento incombustível ou de combustibilidade limitada | |
| Área de cobertura máxima | 11,2 m² | 18,2 m² | 7,4 m² | 9,3 m² |
| Distância máxima ao longo da parede (S) | 4,3 m | 4,3 | 3 m | 3 m |
| Largura máxima quando (L) | 3,7 m | 4,3 m | 3 m | 3 m |
8.12 Espaçamento de Chuveiros Automáticos
8.12.1 Distância máxima entre chuveiros automáticos.
8.12.1.1 A distância máxima permitida entre chuveiros automáticos deve ser baseada na distância entre chuveiros automáticos no mesmo ramal ou em ramais adjacentes. A distância máxima deve ser medida ao longo da inclinação do telhado.
8.12.1.2 A distância máxima permitida entre chuveiros automáticos tipo spray em pé e pendentes de cobertura-padrão deve atender à Tabela 2.
8.12.1.3 A distância máxima permitida entre chuveiros automáticos tipo spray em pé e pendentes de cobertura estendida deve atender à Tabela 5.
8.12.2 Distância máxima entre chuveiros automáticos tipo spray laterais de cobertura-padrão.
8.12.2.1 A distância máxima permitida entre chuveiros automáticos deve ser medida ao longo do ramal, acompanhando sua inclinação, se houver.
8.12.2.2 Devem ser instalados ao longo de uma única parede, de acordo com os valores máximos de espaçamento listados na Tabela 6.
8.12.2.3 Quando a largura da área em questão for superior à largura máxima permitida (até 7,3 m para risco leve ou 6,1 m para risco ordinário), os chuveiros automáticos laterais devem ser instalados em duas paredes opostas, com o espaçamento requerido pela Tabela 6 desde que nenhum chuveiro automático esteja localizado dentro da área máxima de cobertura de outro chuveiro.
8.12.3 A distância máxima entre chuveiros automáticos de controle para aplicação específica (CCAE) permitida entre chuveiros automáticos CCAE deve atender à Tabela 3.
8.12.4 A distância máxima permitida entre chuveiros automáticos ESFR deve atender à Tabela 4.
8.12.5 Distância máxima do chuveiro automático à parede
8.12.5.1 A distância de um chuveiro automático até uma parede não pode exceder metade da distância máxima permitida entre chuveiros automáticos. A distância do chuveiro à parede deve ser medida perpendicularmente à parede.
8.12.5.2 Distância máxima à parede de chuveiros automáticos tipo spray em pé e pendentes de cobertura-padrão e cobertura estendida.
8.12.5.3 A distância do chuveiro automático à parede não pode exceder a metade da distância máxima entre chuveiros automáticos indicada nas Tabelas 2 e 3. A distância do chuveiro automático à parede deve ser medida perpendicularmente à parede.
8.12.5.4 Nos casos em que as paredes formem ângulos, ou seja, irregulares, a distância máxima horizontal entre um chuveiro automático e qualquer ponto do piso protegido por aquele chuveiro automático não pode exceder ¾ da distância máxima permitida entre chuveiros automáticos, desde que a distância máxima perpendicular não seja excedida (ver Figura 4).
Figura 4 – Distância máxima até as paredes (risco leve)
8.12.5.5 Em salas pequenas, os chuveiros automáticos podem ser posicionados a até 2,7 m de qualquer parede. As limitações de espaçamento contidas em 8.12 e as limitações de área da Tabela 2 não podem ser excedidas.
8.12.5.6 Sob superfícies curvas, a distância horizontal deve ser medida no piso, a partir da parede ou da interseção da superfície curva com o piso até a projeção do chuveiro automático mais próximo, e não pode ser maior que metade da distância permitida entre chuveiros automáticos.
8.12.6 Distância máxima à parede de chuveiros automáticos tipo spray laterais de cobertura-padrão
8.12.6.1 A distância (d) máxima entre um chuveiro automático na extremidade do ramal e a parede perpendicular à parede do ramal (ver Figura 5) deve ser a metade da distância máxima entre chuveiros automáticos indicada na Tabela 6.
Figura 5 – Distância (d) do chuveiro automático à parede (vista em planta)
8.12.7 Distância máxima à parede de chuveiros automáticos de controle para aplicação específica (CCAE)
8.12.7.1 A distância do chuveiro automático à parede não pode exceder metade da distância máxima entre chuveiros automáticos indicada na Tabela 3.
8.12.7.2 A distância do chuveiro automático à parede não pode exceder metade da distância máxima entre chuveiros automáticos indicada na Tabela 4.
8.12.8 Distância mínima de chuveiros automáticos à parede
8.12.8.1 Distância mínima entre parede e chuveiros automáticos tipo spray em pé e pendentes de cobertura padrão: A distância mínima permitida entre parede e chuveiros automáticos é de 100 mm.
8.12.8.2 Distância mínima entre parede e chuveiros automáticos tipo spray laterais de cobertura-padrão: A distância mínima permitida entre parede e chuveiros automáticos é de 100 mm.
8.12.8.3 Distância mínima entre parede e chuveiros automáticos de controle para aplicação específica (CCAE): A distância mínima permitida entre parede e chuveiros automáticos é de 100 mm.
8.12.8.4 Distância mínima entre parede e chuveiros ESFR: A distância mínima permitida entre parede e chuveiros automáticos é de 100 mm.
8.12.9 Distância mínima entre chuveiros automáticos
8.12.9.1 A distância mínima entre chuveiros automáticos tipo spray em pé e pendentes de cobertura-padrão é de 1,8 m. Caso sejam instalados anteparos entre os chuveiros atendendo a todas as condições a seguir, a distância mínima pode ser menor que 1,8 m:
a) os anteparos devem ser instalados na metade da distância entre os chuveiros e dispostos de modo a proteger os elementos termossensíveis;
b) os anteparos devem ser de elemento incombustível e devem permanecer na posição durante a operação dos chuveiros;
c) os anteparos devem ter dimensão mínima de 200 mm de largura e 150 mm de altura;
d) a aresta superior do anteparo deve ficar entre 50 mm e 75 mm acima do nível do defletor de chuveiros em pé;
e) a aresta inferior deve se estender até o mesmo nível do defletor de chuveiros pendentes.
8.12.9.2 Distância mínima entre chuveiros automáticos tipo spray em pé e pendentes de cobertura estendida: A distância mínima permitida entre chuveiros automáticos é de 2,4 m. Caso sejam instalados anteparos entre os chuveiros atendendo a todas as condições a seguir, a distância mínima pode ser menor que 2,4 m:
a) os anteparos devem ser instalados na metade da distância entre os chuveiros e dispostos de modo a proteger os elementos termossensíveis;
b) os anteparos devem ser de elemento incombustível e devem permanecer na posição durante a operação dos chuveiros;
c) os anteparos devem ter dimensão mínima de 200 mm de largura e 150 mm de altura;
d) a aresta superior do anteparo deve ficar entre 50 mm e 75 mm acima do nível do defletor de chuveiros em pé;
e) a aresta inferior deve se estender até o mesmo nível do defletor de chuveiros pendentes.
8.12.9.3 A distância mínima entre chuveiros automáticos tipo spray laterais de cobertura padrão é de 1,8 m, exceto nos casos citados no item 8.13.4.3.
8.12.9.4 A distância mínima entre chuveiros automáticos de controle para aplicação específica (CCAE) permitida é de 2,4 m.
8.12.9.5 A distância mínima permitida entre chuveiros automáticos ESFR é de 2,4 m.
8.13 Distância entre defletor e tetos/forros
8.13.1 Distância entre tetos/forros e defletor de chuveiros automáticos tipo spray em pé e pendentes de cobertura padrão e cobertura estendida
8.13.1.1 Sob tetos sem obstruções, a distância entre o defletor do chuveiro automático e o teto deve ser no mínimo de 25 mm e no máximo de 300 mm.
8.13.1.2 Para chuveiros automáticos específicos para forros (ocultos, embutidos ou fush), o elemento de operação pode ficar acima do forro e o defletor pode ficar a menos de 25 mm do forro, desde que o tipo de chuveiro automático a ser utilizado tenha sido ensaiado e aprovado por entidade ou laboratório de reconhecida competência técnica.
8.13.1.3 Quando um desnível no telhado dentro da área de cobertura do chuveiro implica uma distância entre o defletor e o nível mais alto maior que 900 mm, um plano vertical na projeção do desnível do telhado deve ser considerado como parede para efeito de determinação do espaçamento de chuveiros, conforme Figura 6.
8.13.1.4 Quando a distância entre o defletor e o nível mais alto for igual ou menor que 900 mm, é permitido manter o espaçamento entre chuveiros como se o telhado fosse plano, desde que observadas as regras de obstrução, conforme Figura 7.
8.13.1.5 Tetos com obstruções: o defletor do chuveiro automático deve ser posicionado entre 25 mm e 150 mm abaixo da superfície inferior do elemento estrutural e a no máximo 560 mm de distância do teto (ver Figura 8), com exceção do seguinte:
a) o defletor pode ser instalado no mesmo nível ou acima da superfície inferior do elemento estrutural, caso as distâncias laterais recomendadas na NBR 10897 sejam respeitadas e o defletor foque no máximo a 560 mm de distância do teto (ver Figura 9);
b) o defletor pode ser instalado entre 25 mm e 300 mm do teto, desde que haja um chuveiro automático em cada vão formado por dois elementos estruturais (ver Figura 10).
Figura 6 – Distância entre chuveiros em caso de desnível do teto maior que 900 mm
Legenda:
X > 900 mm
S = distância máxima permitida entre chuveiros
Figura 7 – Distância entre chuveiros em caso de desnível do teto menor que 900 mm
Legenda:
X ≤ 900 mm
S = distância máxima permitida entre chuveiros
Figura 8 – Posicionamento de chuveiro automático em pé de cobertura-padrão
ou de cobertura estendida, sob teto obstruído.
Figura 9 – Posicionamento de chuveiro automático em pé de cobertura-padrão ou de cobertura estendida sob teto obstruído com defletor acima da superfície inferior do elemento estrutural.
Figura 10 – Posicionamento de chuveiro automático em pé de cobertura-padrão ou de cobertura estendida sob teto obstruído em cada vão formado pelos elementos estruturais
8.13.2 Cumeeiras e tetos inclinados
8.13.2.1 A distância máxima entre o teto e o defletor de um chuveiro automático instalado sob ou próximo a uma cumeeira deve ser de 0,9 m, medida perpendicularmente (ver Figuras 11 e 12).
8.13.2.2 Os chuveiros automáticos em pé e pendentes de cobertura-padrão, instalados no ponto mais elevado de um telhado do tipo shed, não podem exceder a distância de 0,9 m, medida ao longo do telhado, com origem na cumeeira.
8.13.2.3 Quando chuveiros automáticos em pé e pendentes de cobertura-padrão forem instalados sob tetos muito inclinados, a distância entre o defletor e a cumeeira pode ser aumentada para manter a distância livre horizontal mínima de 0,6 m (ver Figura 13).
Figura 11 – Chuveiros automáticos sob telhados inclinados com o chuveiro diretamente sob a cumeeira (ramais acompanham a inclinação do telhado)
Figura 12 – Chuveiros automáticos sob telhados inclinados (ramais acompanham a inclinação do telhado)
Figura 13 – Distância livre horizontal na cumeeira de telhados inclinados
8.13.3 Reentrâncias no teto
Chuveiros devem ser instalados em todas as reentrâncias no teto, exceto onde todas as condições a seguir são seguidas:
a) a área total do ambiente deve ser protegida por chuveiros de resposta rápida;
b) o volume total da reentrância não protegida não pode exceder 30 m³;
c) a altura da reentrância não protegida não pode exceder 900 mm;
d) toda a área na projeção das reentrâncias não protegidas deve ser coberta por chuveiros instalados no nível mais baixo do teto;
e) quando a distância entre as reentrâncias for menor que 3 m e o somatório dos volumes delas não exceder 30 m³;
f) a reentrância não protegida deve ter acabamento incombustível ou de combustibilidade limitada.
8.13.4 Distância entre tetos/forros e o defletor de chuveiros automáticos tipo spray laterais de cobertura-padrão
8.13.4.1 A distância entre o defletor de um chuveiro automático lateral e o teto deve ser no máximo 150 mm e no mínimo 100 mm (ver Figura 14).
8.13.4.2 Os defletores de chuveiros automáticos tipo spray laterais devem estar entre 100 mm e 150 mm de distância das paredes nas quais estão montados.
8.13.4.3 Quando forem usadas molduras para acabamento da instalação de chuveiros automáticos laterais, estas não podem ter mais que 200 mm de largura ou projeção a partir da parede. As molduras de acabamento podem ser maiores que 200 mm, quando chuveiros automáticos adicionais forem instalados abaixo delas.
Figura 14 – Instalação de chuveiro lateral
8.13.5 Obstruções que impedem que a descarga do chuveiro automático atinja o risco em sistemas de chuveiros tipo spray em pé e pendentes de cobertura-padrão e cobertura estendida.
8.13.5.1 Este requisito deve ser atendido quando houver obstruções contínuas ou descontínuas que interrompam a descarga d’água em um plano horizontal localizado a mais de 450 mm abaixo do defletor do chuveiro automático, impedindo que a água atinja o risco a ser protegido. Em riscos leves e ordinários, as exigências devem ser aplicadas para obstruções localizadas a 450 mm ou menos abaixo do chuveiro automático.
8.13.5.2 Os chuveiros automáticos devem ser instalados sob obstruções fixas com largura maior que 1,2 m, como dutos, pisos tipo grelha e mesas de corte.
8.13.6 Distância entre tetos/forros e o defletor de chuveiros automáticos de controle para área específica (CCAE)
8.13.6.1 Sob tetos sem obstruções, a distância entre o defletor do chuveiro CCAE e o teto deve ser no mínimo de 150 mm e no máximo de 200 mm.
8.13.6.2 Sob tetos com obstruções, o defletor do chuveiro CCAE deve ser posicionado de acordo com uma das seguintes condições:
a) defletores instalados a no mínimo 150 mm e no máximo 300 mm;
b) defletores instalados entre 25 mm e 150 mm abaixo de treliças de madeira, com distância máxima de 560 mm do teto;
c) em construções com vigas de alma cheia, com distância no mínimo de 0,9 m e no máximo de 2,3 m entre eixos de vigas, os defletores devem ser instalados no plano horizontal, distantes 25 mm abaixo da face inferior da viga ou acima deste plano e que atendam à Tabela 21 da NBR 10897.
8.13.7 Distância entre tetos/forros e o defletor de chuveiros ESFR
a) chuveiros ESFR pendentes com fator K de descarga nominal de 200 ou 240 devem ter a distância entre o defletor e o teto de no mínimo 150 mm e no máximo 350 mm;
b) chuveiros ESFR pendentes com fator K de descarga nominal de 320 ou 360 devem ter a distância entre o defletor e o teto de no mínimo 150 mm e no máximo 450 mm;
c) chuveiros ESFR em pé com fator K de descarga nominal de 200 ou 240 devem ter a distância entre o defletor e o teto de no mínimo 75 mm e no máximo 300 mm;
d) em tetos com obstruções, permite-se instalar os ramais transversalmente às vigas, porém os chuveiros ESFR devem estar posicionados nos vãos e não abaixo das vigas.
8.14 Distância mínima livre entre o topo da estocagem e o defletor
8.14.1 Distância mínima livre entre o topo da estocagem e o defletor de chuveiros em pé e pendentes de cobertura-padrão e estendida.
8.14.1.1 A distância mínima livre entre o topo da estocagem e o defletor deve ser 460 mm ou maior. Caso outras normas requeiram distâncias mínimas maiores, estas devem ser seguidas.
8.14.2 Distância mínima livre entre o topo da estocagem e o defletor de chuveiros laterais de cobertura-padrão.
8.14.2.1 A distância mínima livre entre o topo da estocagem e o defletor deve ser 460 mm ou maior.
8.14.3 Distância mínima livre entre o topo da estocagem e o defletor de chuveiros de controle para aplicação específica (CCAE).
8.14.3.1 A distância mínima livre entre o topo da estocagem e o defletor deve ser 900 mm ou maior.
8.14.4 Distância mínima livre entre o topo da estocagem e o defletor de chuveiros ESFR.
8.14.4.1 A distância mínima livre entre o topo da estocagem e o defletor deve ser de 900 mm ou maior.
8.15 Orientação do defletor
8.15.1 Os defletores devem estar alinhados paralelamente aos tetos, telhados. Quando a declividade for inferior a 16,7% os defletores podem ser instalados paralelos ao piso.
8.15.2 Nas escadas, o alinhamento dos defletores deverá estar paralelo ao teto, devendo ser previsto bicos de cobertura padrão e estendida.
8.16 Situações Especiais
8.16.1 Entre pavimentos sem a compartimentação vertical, deve ser previsto um chuveiro automático no topo do shaft.
8.16.2 Os chuveiros automáticos devem ser instalados sob todas as escadas, exceto em escadas enclausuradas.
8.16.3 Aberturas Verticais
8.16.3.1 Escadas rolantes, escadas comuns ou outras aberturas devem ser protegidas por chuveiros automáticos.
8.16.4 Poços e casas de máquinas de elevadores
8.16.4.1 Chuveiros automáticos tipo spray laterais devem ser instalados no fundo de cada poço de elevador, a no máximo 600 mm acima do piso do poço, exceto quando este for fechado e incombustível e não contiver fluidos hidráulicos combustíveis.
8.16.4.2 Quando instalados, chuveiros automáticos em salas de máquinas de elevadores ou no topo de poços devem ser de temperatura normal ou intermediária.
8.16.4.3 Quando instalados, chuveiros automáticos no topo do poço do elevador devem ser em pé ou pendentes.
8.16.5 Espaço sob plataformas de carga externas
8.16.5.1 Quando combustível, o espaço sob plataformas externas de cargas deve ser protegido por chuveiros automáticos, exceto quando todas as condições a seguir forem satisfeitas:
a) o espaço não pode ser acessível para armazenamento e deve ser protegido contra o acúmulo de lixo trazido pelo vento;
b) o espaço não pode conter equipamentos como correias transportadoras e aquecedores que utilizem combustíveis líquidos ou gasosos;
c) o piso sobre o espaço deve ser estanque;
d) nenhum líquido combustível ou inflamável deve ser processado, manuseado ou armazenado no piso acima do espaço.
8.16.6 Marquises e similares
8.16.6.1 Marquises e similares de construção combustível e com largura maior que 3,0 m devem ter proteção por chuveiros automáticos.
8.16.6.2 Marquises e similares sob os quais há armazenamento de materiais combustíveis, mesmo que transitória, independentemente do tipo de construção e largura, devem ter proteção por chuveiros automáticos. A proteção dessas áreas pode ser para risco ordinário, desde que a altura de estocagem seja máxima de 3,7 m.
8.16.6.3 Não é necessário instalar chuveiros automáticos em marquises e similares não combustíveis exclusivamente para circulação de pessoas.
8.17 Proteção de áreas sem armazenagem com tetos e/ou telhados altos (acima de 6,1 m)
8.17.1 Os critérios de proteção em áreas tetos e/ou telhados altos não utilizadas para armazenagem devem seguir os parâmetros listados nas Tabelas 7 a 11.
8.17.2 As áreas de cobertura máxima por chuveiro automático e os espaçamentos máximos e mínimos entre chuveiros automáticos, e entre chuveiros automáticos e obstruções, devem atender aos requisitos desta IT, de acordo com o tipo de chuveiro.
Tabela 7: Fatores K mínimos permitidos por categoria de risco
| Categoria de risco | Fator K para áreas com altura do teto > 6,1 m até 9 m L/min/bar¹ᐟ² |
Fator K para áreas com altura do teto > 9 m até 18 m L/min/bar¹ᐟ² |
Fator K para áreas com altura do teto acima de 18 m L/min/bar¹ᐟ² |
| Leve | 80 ᵃ | 115 ᵇ | 360 ᵃ |
| Ordinário – Grupos 1 e 2 | 115 ᵃ | 115 ᵇ | 360 ᵃ |
| Extraordinários – Grupos 1 e 2 | 160 ᵃ | 160 ᵇ | 360 ᵃ |
|
ᵃ Chuveiros de cobertura-padrão ou cobertura estendida ᵇ Chuveiros de cobertura-padrão |
|||
Tabela 8: Demanda de sistemas de chuveiros automático de cobertura padrão, para áreas com tetos de até 18 m de altura
| Categoria de risco | Áreas com altura do teto > 6,1 m até 9 m | Áreas com altura do teto > 9 m até 13,5 m | Áreas com altura do teto > 13,5 m até 18 m | |||
| Densidade L/min/m² |
Área de operação m² |
Densidade L/min/m² |
Área de operação m² |
Densidade L/min/m² |
Área de operação m² |
|
| Leve | 4 | 140 | 8 | 230 | 8 | 230 |
| Ordinário – Grupos 1 e 2 | 8 | 230 | 8 | 230 | 8 | 230 |
| Extraordinário – Grupos 1 e 2 | 12 | 230 | 12 | 340 | 20 | 280 |
Tabela 9: Demanda de sistemas de chuveiros automáticos de cobertura estendida com fator K 160 e K 200, para áreas com tetos de até 13,5 m de altura
| Categoria de risco | Orientação do chuveiro | Fator K L/min/bar¹ᐟ² |
Áreas com altura do teto > 6,1 m até 9 m | Áreas com altura do teto > 9 m até 13,5 m | ||
| Densidade L/min/m² |
Área de operação m² |
Densidade L/min/m² |
Área de operação m² |
|||
| Leve | Pendente | 160 ᵃ | 4 | 140 | – | – |
| 200 ᵇ | 4 | 140 | – | – | ||
| Em pé | 160 ᵃ | 4 | 140 | 8 | 230 | |
| 200 ᵇ | 4 | 140 | 8 | 230 | ||
| Ordinário – Grupos 1 e 2 | Pendente | 160 ᵃ | – | – | – | – |
| 200 ᵇ | 8 | 230 | – | – | ||
| Em pé | 160 ᵃ | 12 | 140 | 8 | 230 | |
| 200 ᵇ | 12 | 90 | 8 | 230 | ||
| Extraordinário – Grupos 1 e 2 | Pendente | 160 ᵃ | – | – | – | – |
| 200 ᵇ | 12 | 230 | – | – | ||
| Em pé | 160 ᵃ | 12 | 140 | 12 | 230 | |
| 200 ᵇ | 12 | 90 | 12 | 230 | ||
|
ᵃ Além de atender aos requisitos de densidade e área apresentados nesta Tabela, o cálculo de sistemas com bicos K 160 de cobertura estendida deve considerar no mínimo a operação de seis chuveiros com pressão mínima de 0,8 bar ᵇ Além de atender aos requisitos de densidade e área apresentados nesta Tabela, o cálculo de sistemas com bicos K 200 de cobertura estendida deve considerar no mínimo a operação de quatro chuveiros com pressão mínima de 1,2 bar |
||||||
Tabela 10: Demanda de sistemas de chuveiros automáticos K360 de cobertura-padrão e cobertura estendida, para áreas com tetos de até 30 m de altura
| Categoria de risco | Chuveiros K 360 de cobertura-padrão | Chuveiros K 360 de cobertura estendida | ||
| Nº de chuveiros | Pressão bar |
Nº de chuveiros | Pressão bar |
|
| Leve | 12 | 0,5 | 6 | 1,4 |
| Ordinário – Grupos 1 e 2 | 12 | 0,5 | 6 | 1,9 |
| Extraordinário – Grupos 1 e 2 | 12 | 0,5 | 6 | 1,9 |
Tabela 11: Duração da reserva de água
| Categoria de risco | Duração min |
| Leve | 30 |
| Ordinário – Grupos 1 e 2 | 60 |
| Extraordinário – Grupos 1 e 2 | 90 |
9 Estoque de chuveiros automáticos sobressalentes
9.1 Devem ser mantidos chuveiros automáticos sobressalentes para substituição imediata em caso de operação ou danos. Esses chuveiros automáticos devem possuir as mesmas características dos que se encontram instalados e devem ser mantidos em local cuja temperatura não supere 38 °C.
9.2 O estoque de chuveiros automáticos sobressalentes deve ser proporcional ao número de chuveiros automáticos instalados, como descrito a seguir:
a) 06 (seis) chuveiros no mínimo para instalações com até 300 chuveiros automáticos;
b) 12 (doze) chuveiros no mínimo para instalações com 301 a 1000 chuveiros automáticos;
c) 24 (vinte e quatro) chuveiros no mínimo para instalações com mais de 1000 chuveiros automáticos.
9.3 Havendo mais de um tipo, modelo ou temperatura de chuveiro instalado, deve haver pelo menos quatro chuveiros sobressalentes de cada tipo, modelo e temperatura.
10 Métodos de cálculos
10.1 Métodos utilizados
Os sistemas de chuveiros automáticos deverão ser dimensionados pelo método de cálculo hidráulico.
10.2 Ocupações adjacentes
Quando houver dois ou mais tipos de ocupação adjacentes, e caso essas ocupações não sejam isoladas fisicamente por barreiras ou divisórias capazes de impedir por algum tempo que o calor do fogo em uma área abra os chuveiros automáticos na(s) área(s) adjacente(s), o sistema de chuveiros automáticos da ocupação de maior demanda de água deve se estender 4,5 m além de seu perímetro.
10.3 Classificação de ocupações
As ocupações, ou partes delas, devem ser classificadas de acordo com a quantidade e combustibilidade do conteúdo, quantidade prevista de liberação de calor, potencial total de liberação de energia e presença de líquidos inflamáveis e combustíveis. A classificação é a seguinte:
a) risco leve;
b) risco ordinário (grupos 1 e 2);
c) risco extra ou extraordinário (grupos 1 e 2);
d) áreas de armazenamento (ver IT 24).
10.4 Demanda de água – Métodos de cálculo hidráulico
10.4.1. Para fins de cálculo hidráulico e dimensionamento da reserva de água, a demanda do sistema de hidrantes deve ser adicionada ao cálculo da demanda do sistema de chuveiros.
Tabela 15: Curvas de densidade e área
10.4.2 A demanda do sistema de hidrantes deve atender à Tabela 2 da IT 22, mesmo nos casos em que os sistemas de hidrantes e chuveiros automáticos sejam independentes.
10.4.3 Os demais requisitos do sistema de hidrantes devem atender à IT 22.
10.4.4 A demanda de chuveiros automáticos, deve ser determinada pela Figura 15 e pela reserva, considerando a duração da Tabela 11.
10.5 Curvas de densidade e área
10.5.1 A demanda de água dos chuveiros automáticos pode ser calculada utilizando-se as curvas de densidade e área da Figura 15, quando for usado o método de densidade e área ou o método baseado no recinto.
10.5.2 No dimensionamento dos sistemas de proteção contra incêndio por chuveiros automáticos, devem ser consideradas as seguintes restrições:
a) em riscos leves e ordinários, quando a área de operação dos chuveiros automáticos for menor que 140 m², deve ser usada a densidade para 140 m²;
b) em risco extra, quando a área de operação dos chuveiros automáticos for menor que 230 m², deve ser usada a densidade para 230 m²;
c) a demanda de água de cortinas d’água deve ser somada à demanda dos chuveiros automáticos do teto, no ponto de conexão. As demandas devem ser balanceadas de acordo com a maior pressão;
d) a demanda de água dos chuveiros automáticos instalados em espaços encobertos ou sob obstruções, como dutos, não precisa ser adicionada à demanda do teto, exceto em áreas de armazenamento, que devem seguir a IT 24.
10.6 Método de densidade e área
10.6.1 A demanda de água dos chuveiros automáticos deve ser determinada pelas curvas de densidade e área da Figura 15. Ao utilizar a Figura 15, os cálculos devem satisfazer um ponto da curva de densidade e área selecionada, não sendo necessário atender a todos os pontos dessa curva.
10.7 Chuveiros automáticos
10.7.1 As densidades e áreas da Figura 15 devem ser usadas somente com chuveiros automáticos tipo spray.
10.7.2 Chuveiros automáticos de resposta rápida não podem ser usados em ocupações de risco extra ou extraordinário.
10.7.3 Chuveiros automáticos tipo spray laterais podem ser usados em ocupações de risco leve e, quando especificamente certificados, em ocupações de risco ordinário grupos 1 e 2.
10.7.4 Para chuveiros automáticos de cobertura estendida, a área de projeto mínima deve ser aquela que corresponde à máxima densidade para o risco na Figura 15 ou à área protegida por cinco chuveiros automáticos, escolhendo-se a maior entre as duas.
10.7.5 Os sistemas de chuveiros automáticos de cobertura estendida devem ser projetados com base na vazão mínima correspondente à densidade para a menor área de operação, conforme especificado na Figura 15.
10.8 Chuveiros automáticos de resposta rápida
10.8.1 Métodos de redução de área de operação poderão ser apresentados mediante comissão técnica, fundamentando os parâmetros em norma nacional ou estrangeira.
10.8.2 Quando forem instalados chuveiros automáticos de resposta rápida, todos os chuveiros automáticos no mesmo compartimento devem ser de resposta rápida.
10.8.3 Quando as circunstâncias requererem o uso de chuveiros automáticos diferentes dos de temperatura ordinária, é permitido o uso de chuveiros automáticos de resposta normal.
10.9 Tetos inclinados
10.9.1 A área de operação do sistema deve ser aumentada em 30%, sem alteração da densidade, quando chuveiros automáticos tipo spray, incluindo chuveiros automáticos de resposta rápida, forem usados em tetos com inclinação maior que 16,7%.
10.10 Sistemas de ação prévia com bloqueio duplo
10.10.1 Para sistemas de ação prévia com bloqueio duplo, a área de operação deve ser aumentada em 30%.
10.11 Chuveiros automáticos de temperatura alta
10.11.1 Quando forem usados chuveiros automáticos de temperatura alta em ocupações de risco extra ou extraordinário, a área de operação dos chuveiros automáticos pode ser reduzida em 25%, sem alteração da densidade, até o limite de 190 m².
10.12 Ajustes múltiplos
10.12.1 Quando for necessário aplicar mais de um ajuste à área de operação, estes devem ser cumulativos, com base na área de operação escolhida originalmente na Figura 15.
10.13 Método de cálculo por recinto
10.13.1 O fornecimento de água para chuveiros automáticos deve ser baseado no recinto que apresentar a maior demanda.
10.13.2 A densidade deve ser selecionada da Figura 15, correspondendo ao tamanho do recinto.
10.13.3 Para utilizar o método de cálculo por recinto, todos os recintos devem ser fechados com paredes com resistência ao fogo equivalente à duração do fornecimento de água por 60 min.
10.13.4 Se o recinto for menor que a menor área indicada na curva aplicável da Figura 15, devem ser aplicadas as restrições descritas no item 10.5.2.
10.13.5 As aberturas devem ter as seguintes proteções mínimas:
a) risco leve: portas de fechamento automático, sem resistência mínima ao fogo;
b) risco leve sem proteção de aberturas: quando as aberturas não forem protegidas, o cálculo deve incluir os chuveiros automáticos no recinto e dois chuveiros automáticos nos espaços comunicantes mais próximos de cada abertura desprotegida. Caso o espaço comunicante tenha somente um chuveiro, o cálculo deve incluir a operação desse chuveiro. Os chuveiros automáticos escolhidos do recinto e dos espaços comunicantes devem ser aqueles que produzam a maior demanda hidráulica;
c) risco ordinário e risco extra ou extraordinário: portas automáticas ou de fechamento forçado com resistência ao fogo compatível às das paredes
10.13.6 Quando o método de cálculo por recinto for utilizado e a área sob consideração for um corredor protegido por uma fileira de chuveiros automáticos providos de aberturas protegidas de acordo com 10.13.5, o número máximo de chuveiros automáticos que precisa ser calculado é cinco.
10.13.7 Quando a área sob consideração for um corredor protegido por uma fileira de chuveiros automáticos em uma ocupação de risco leve, a área de cálculo deve incluir todos os chuveiros automáticos do corredor até o número máximo de cinco.
10.13.8 Quando a área sob consideração for um corredor protegido por uma fileira de chuveiros automáticos, e as aberturas não forem protegidas, a área de cálculo deve incluir todos os chuveiros automáticos do corredor até o número máximo de sete.
10.13.9 Áreas especiais de cálculo: quando uma área for protegida por uma única fileira de chuveiros automáticos, a área de operação deve incluir todos os chuveiros automáticos na fileira até o número máximo de sete.
10.14 Cortinas d’água
10.14.1 Os chuveiros automáticos em cortinas d’água devem ser projetados por cálculo hidráulico para descarregar 37 L/min por metro linear de cortina d’água, com descarga mínima de 55 L/min por chuveiro.
10.14.2 Quando as cortinas d’água utilizarem chuveiros automáticos, o número de chuveiros automáticos utilizados no cálculo deve ser igual ao número de chuveiros automáticos no trecho correspondente ao trecho paralelo aos ramais na área determinada por 11.3.
10.14.3 Caso seja possível que um mesmo incêndio abra os chuveiros automáticos da cortina d’água e os da área de operação de um sistema projetado por cálculo hidráulico, as demandas de água da cortina e do sistema projetado por cálculo hidráulico devem ser somadas e balanceadas com base na demanda da área calculada.
10.14.4 O cálculo hidráulico deve incluir uma área de operação escolhida, de modo a incluir os chuveiros automáticos de teto adjacentes à cortina d’água.
11 Plantas e cálculos
11.1 Procedimentos de cálculos hidráulicos
11.1.1 Os tubos de material ferroso não podem ter diâmetro nominal menor que DN 25, e os de cobre ou de materiais não metálicos não podem ter diâmetro menor que DN 20.
11.1.2 O diâmetro dos tubos, quantidade de chuveiros automáticos por ramal e o número de ramais por tubulação sub geral devem ser limitados somente pela quantidade de água disponível.
11.1.3 O espaçamento entre chuveiros automáticos e todas as outras regras cobertas nesta norma e em outras aplicáveis devem ser observados.
11.1.4 As pressões nos pontos de cálculo hidráulico devem ser balanceadas com tolerância de 1 kPa (0,1 mca).
11.1.5 A maior pressão no ponto de união e as vazões totais ajustadas devem ser transportadas no cálculo hidráulico.
11.1.6 O balanceamento da pressão pode ser feito com o uso de um fator K desenvolvido para ramais ou partes de sistemas usando a seguinte equação:
11.1.7 Valores de perda de carga ou comprimentos equivalentes de conexões, tubos, válvulas de governo e alarme, válvulas de dilúvio, filtros e outros equipamentos podem ser obtidos junto ao fabricante ou, na falta destes, em literatura técnica aplicável.
11.2 Procedimento de cálculo
11.2.1 A área de operação de todos os sistemas deve ser a área de maior demanda hidráulica, com base nos critérios do item 10 (ver Figura 17).
11.2.2 O procedimento de cálculo deverá considerar a operação do conjunto e o balanceamento da pressão nos pontos críticos do sistema.
11.3 Método de densidade e área
11.3.1 Quando o projeto for baseado no método de densidade e área, a área de operação deve ser retangular e o comprimento de seu lado paralelo aos ramais deve ser equivalente a pelo menos 1,2 vezes o valor da raiz quadrada da área de operação dos chuveiros automáticos, que deve permitir a inclusão de chuveiros automáticos em ambos os lados da tubulação sub geral. Qualquer fração de chuveiro deve ser arredondada para o próximo número inteiro subsequente.
Figura 17 – Exemplos de áreas de maior demanda hidráulica
Figura 18 – Determinação do número de chuveiros automáticos
11.4 Método de cálculo por recinto
11.4.1 Quando o projeto for feito pelo método de cálculo por recinto, os cálculos devem considerar o recinto e os espaços comunicantes, se houver, que apresentem a maior demanda hidráulica conforme item 10.13.
11.5 Sistemas tipo grelha
11.5.1 Em sistemas tipo grelha, o projetista deve verificar se a área de maior demanda hidráulica está sendo utilizada.
11.5.2 É recomendado avaliar no mínimo dois cálculos adicionais para demonstrar a máxima perda de carga da área de operação, com relação às áreas imediatamente adjacentes em ambos os lados, nos mesmos ramais, a menos que o cálculo tenha sido realizado por programas de computador, que confirmem que a área de operação selecionada é a de maior perda de carga (ver Figura 19).
Figura 19 – Exemplo de determinação de área mais remota em sistema tipo grelha
NOTA 1: Em sistemas tipo grelha, o chuveiro automático no ramal 4 pode ser posicionado em qualquer posição, de B a E.
NOTA 2: Em sistemas tipo espinha de peixe ou anel fechado, o chuveiro automático no ramal 4 pode ser colocado na posição mais próxima à tubulação subgeral.
EXEMPLO Área de operação de 140 m² e área de cobertura por chuveiro automático de 11,1 m².
11.6 Densidades de projeto
11.6.1 A tubulação do sistema deve ser dimensionada por cálculo hidráulico utilizando-se as densidades e áreas de operação recomendadas conforme item 10.6.
11.6.2 A densidade deve ser calculada com base na área de operação do chuveiro automático.
11.6.3 A área coberta por um chuveiro automático é o produto da distância horizontal entre chuveiros automáticos em um ramal e entre chuveiros automáticos em ramais adjacentes, conforme item 8.11.
11.6.4 Quando forem instalados chuveiros automáticos acima e abaixo de um teto ou forro, ou quando mais de duas áreas forem alimentadas por um único conjunto de ramais, tanto os ramais quanto a fonte de abastecimento de água devem ser capazes de suprir a maior demanda de água.
11.7 Chuveiros automáticos na área de operação
11.7.1 Cada chuveiro automático na área de operação e no restante do sistema dimensionado por cálculo hidráulico deve ter uma vazão no mínimo igual à mínima densidade estipulada multiplicada pela área de operação do chuveiro.
11.7.2 O cálculo deve ser feito a partir do chuveiro mais remoto.
11.7.3 A pressão calculada em cada chuveiro automático deve ser usada para determinar a vazão desse chuveiro.
11.8 Placas de orifício
11.8.1 Placas de orifício ou chuveiros automáticos com diferentes diâmetros de orifício não podem ser usadas para balanceamento de pressões do sistema.
11.8.2 O cálculo da vazão em um orifício pode utilizar a pressão total (Pt) ou a pressão normal (Pn), calculada pela diferença entre a carga de velocidade e a pressão total. Quando a Pn for usada, deve ser em todos os ramais e tubulações sub gerais, onde aplicável.
11.8.3 O cálculo da vazão de um chuveiro automático deve considerar o fator K nominal.
11.9 Pressão mínima de operação
11.9.1 A mínima pressão de operação de qualquer chuveiro automático deve ser 48 kPa (4,8 mca), a menos que ensaios específicos recomendem uma pressão mínima de operação mais alta para a aplicação em questão.
11.10 Pressão máxima de operação
11.10.1 Em áreas de risco extra ou extraordinário, a máxima pressão de operação de qualquer chuveiro automático deve ser 1210 kPa (123,5 mca).
11.11 Tabelas de dimensionamento do diâmetro da tubulação
11.11.1 Para sistemas novos, o dimensionamento com tabelas só pode ser utilizado se a área do sistema for inferior a 465 m².
11.11.2 As tabelas de dimensionamento podem ser utilizadas para ampliações e modificações de sistemas existentes que foram originalmente calculados por esse método.
11.12 Os seguintes sistemas devem ser sempre projetados por cálculo hidráulico:
a. sistemas com chuveiros automáticos de fator K nominal diferente de 80;
b. sistemas que utilizem tubulações que não sejam de aço inoxidável ou cobre;
c. sistemas em áreas de risco extra grupos 1 e 2.
11.13 Diâmetro das colunas de alimentação
11.13.1 Cada coluna de alimentação deve ser dimensionada para suprir todos os chuveiros automáticos ligados a ela em um determinado pavimento.
11.14 Pisos vazados, grandes aberturas em pisos, mezaninos e grandes plataformas
11.14.1 Edificações com pisos vazados ou com grandes aberturas desprotegidas devem ser tratadas como uma só área com relação aos diâmetros dos tubos.
11.14.2 As tubulações gerais e colunas de alimentação devem ter o diâmetro necessário para alimentar o número total de chuveiros automáticos.
11.15 Tabelas para riscos leves
11.15.1 Os ramais devem ter no máximo oito chuveiros automáticos em cada lado da tubulação sub geral.
11.15.2 Excepcionalmente, os ramais podem ter até dez chuveiros automáticos, desde que as seguintes alterações sejam feitas:
a. nove chuveiros automáticos: os dois últimos segmentos de tubo do ramal devem ter diâmetros DN 25 e DN 32, respectivamente, e os outros diâmetros devem ser de tamanho-padrão;
b. dez chuveiros automáticos: os dois últimos segmentos de tubo do ramal devem ter diâmetros DN 25 e DN 32, respectivamente, e o décimo chuveiro deve ser alimentado por um tubo DN 65.
11.15.3 Diâmetros de tubos
11.15.3.1 Os diâmetros de tubos devem atender à Tabela 12.
11.15.3.2 Áreas não compartimentadas que necessitem de um número maior de chuveiros automáticos do que o especificado para tubos DN 90 devem ser calculadas para risco ordinário.
Tabela 12: Dimensionamento para riscos leves
| Aço | Cobre | ||
|---|---|---|---|
| DN (mm) |
Número de chuveiros | DN (mm) |
Número de chuveiros |
| 20 | – | 20 | – |
| 25 | 02 | 25 | 02 |
| 32 | 03 | 32 | 03 |
| 40 | 05 | 40 | 05 |
| 50 | 10 | 50 | 12 |
| 65 | 30 | 65 | 40 |
| 80 | 60 | 80 | 65 |
| 90 | 100 | 90 | 115 |
| 100 | Ver Tabela 1 | 100 | Ver Tabela 1 |
11.16 Tabela para riscos ordinários
11.16.1 Os ramais devem ter no máximo oito chuveiros automáticos em cada lado da tubulação sub geral.
11.16.2 Excepcionalmente, os ramais podem ter até dez chuveiros automáticos, desde que as seguintes alterações sejam feitas:
a. nove chuveiros automáticos: os dois últimos segmentos de tubo do ramal devem ter diâmetros DN 25 e DN 32, respectivamente, e os outros diâmetros devem ser de tamanho-padrão;
b. dez chuveiros automáticos: os dois últimos segmentos de tubo do ramal devem ter diâmetros DN 25 e DN 32, respectivamente, e o décimo chuveiro deve ser alimentado por um tubo DN 65.
11.16.3 Os diâmetros de tubos devem atender à Tabela 13.
11.16.4 Quando a distância entre os chuveiros automáticos em um ramal for maior que 3,7 m, ou quando a distância entre ramais for maior que 3,7 m, o número de chuveiros automáticos para um determinado diâmetro de tubo deve estar de acordo com a Tabela 14.
Tabela 13: Dimensionamento para riscos ordinários
| Aço | Cobre | ||
|---|---|---|---|
| DN (mm) |
Número de chuveiros | DN (mm) |
Número de chuveiros |
| 25 | 02 | 25 | 02 |
| 32 | 03 | 32 | 03 |
| 40 | 05 | 40 | 05 |
| 50 | 10 | 50 | 12 |
| 65 | 20 | 65 | 25 |
| 80 | 40 | 80 | 45 |
| 90 | 65 | 90 | 75 |
| 100 | 100 | 100 | 115 |
| 125 | 160 | 125 | 180 |
| 150 | 275 | 150 | 300 |
| 200 | Ver =Tabela 1 | 200 | Ver =Tabela 1 |
Tabela 14: Número de chuveiros automáticos – Distâncias maiores que 3,7 m
| Aço | Cobre | ||
|---|---|---|---|
| DN (mm) |
Número de chuveiros | DN (mm) |
Número de chuveiros |
| 65 | 15 | 65 | 20 |
| 80 | 30 | 80 | 35 |
| 90 | 60 | 90 | 65 |
NOTA Outros diâmetros podem ser encontrados na tabela 13
12 Bomba de incêndio
12.1 O Conjunto de bombas estacionárias para sistemas automáticos de proteção contra incêndio devem atender aos requisitos da NBR 16704.
12.2 As bombas de incêndio devem ser protegidas contra danos mecânicos, intempéries, agentes químicos, fogo ou umidade.
13 Documentação
13.1 Após a instalação do Sistema de Chuveiros Automáticos, é recomendado ao responsável técnico pela instalação, o preenchimento do relatório de comissionamento do sistema de acordo o Anexo B desta IT, colher assinatura do proprietário ou responsável pelo uso e manter em arquivo próprio junto ao acervo de obra.
13.2 Quando se tratar da solicitação da renovação de vistoria de edificações dotadas de sistema de chuveiros automáticos, é recomendado ao responsável técnico pela manutenção do sistema, o preenchimento do relatório de inspeção do sistema de chuveiros automáticos de acordo com o Anexo C desta IT, colher assinatura do proprietário ou responsável pelo uso e manter em arquivo próprio na edificação.
14 Referências normativas e bibliográficas
ASSOCIAÇÃO BRASILEIRA DE NORMAS TÉCNICAS (ABNT). NBR 10897: Sistemas de proteção contra incêndio por chuveiro automático. Rio de Janeiro: ABNT;
ASSOCIAÇÃO BRASILEIRA DE NORMAS TÉCNICAS (ABNT). NBR 16704: Conjunto de bombas estacionárias para sistemas automáticos de proteção contra incêndio – Requisitos. Rio de Janeiro: ABNT;
SEITO, Alexandre Itiu et al. A segurança contra incêndio no Brasil. São Paulo: Projeto Editora, 2008. 496 p.
NFPA 13 – Standard for the Installation of Sprinkler Systems.
Anexo A
Passos básicos para cálculos hidráulicos de chuveiros automáticos
A técnica de projeto hidráulico pode ser resumida em 15 passos básicos. Estes passos podem ser usados como um guia para o projeto do sistema ou como um “checklist” para a análise do projeto:
Passo 1: Identificar a ocupação ou o risco a ser protegido;
Passo 2: Determinar o tamanho da área de aplicação dos chuveiros automáticos;
Passo 3: Determinar a densidade de projeto exigida;
Passo 4: Estabelecer o número de chuveiros contidos na área de cálculo;
Passo 5: Determinar o formato da área de cálculo;
Passo 6: Calcular a vazão mínima exigida para o primeiro chuveiro;
Passo 7: Calcular a pressão mínima exigida para o primeiro chuveiro;
Passo 8: Calcular a perda de carga entre o primeiro e o segundo chuveiro;
Passo 9: Calcular a vazão do segundo chuveiro;
Passo 10: Balancear as pressões, observando os limites de tolerância de 1 kPa (0,1 mca);
Passo 11: Repetir os Passos 8 a 10 para os chuveiros seguintes até que todos os chuveiros do ramal estejam calculados;
Passo 12: Se a área de cálculo se estender até o outro lado da sub geral, os Passos 6 até 10 são repetidos para o lado oposto. Os ramais que cruzam deverão ser balanceados com a mais alta pressão de demanda;
Passo 13: Calcular o fator K para a primeira subida, com fatores adicionais calculados para as linhas desiguais;
Passo 13: Repetir os Passos 8 a 10 para as subidas (ao invés de chuveiros) até que todas as subidas da área de cálculo tenham sido calculadas;
Passo 14: Computar a perda de carga no ponto de abastecimento com as compensações devido a desníveis geométricos, válvulas e acessórios e diferença de materiais da tubulação enterrada;
Passo 15: Comparar a vazão calculada com o suprimento de água disponível.
Anexo B
Exemplo de Relatório de Comissionamento do Sistema de Chuveiros Automáticos
Anexo C
Exemplo de Relatório de Inspeção do Sistema de Chuveiros Automáticos
Anexo D
Sinalização do registro de recalque do sistema de chuveiros automáticos
I – REGISTRO DE RECALQUE DE PAREDE
II – DISPOSITIVO DE RECALQUE TIPO COLUNA




























